Выложенная ниже схемка нарисовалась после прочтения этой темы:
http://forum.gtlab.net/cgi-bin/yabb2/YaBB.pl?num=1311251476Сидел значит я, грезил о ламповом усилителе для наушников. Шальной эскадрон резво скакал, пока не наткнулся на препятствие в виде... ну да, сабжа.
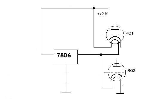
Действительно, вот два баллона и 12 В. Просто просится последовательное включение нагревателей. С другой стороны это не рекомендуется, и я сам несколько дней назад распинался на форуме, объясняя почему. Как быть-то?
Тут резвые скакуны сделали очередной прыжок. Ха, у нас же постоянка, значит что?.. Солид боди нам поможет!
И тут нарисовалось ОНО.

Uploaded with
ImageShack.usМеня все мучало подозрение, не боян ли. Обратился к вдохновителю,
Ал-ндр сказал, что с такими извратами пока не встречался. Это малость утешило.
Схемку можно реализовать и по-другому, например на TDA2030,
Ал-ндр еще заметил, что можно бы слегка подстраивать триммером среднюю точку, ну это уж для совсем гурманов.
А что думает на эту тему уважаемое сообщество?