Автор Тема: Разговор мужчин среднего возраста про ОУ, ООС...  (Прочитано 33729 раз)

0 Пользователей и 1 Гость просматривают эту тему.

Rst7

  • Сообщений: 1619
  • Мимо проходил...
    • Просмотр профиля
    • E-mail
Re: Разговор мужчин среднего возраста про ОУ, ООС...
« Ответ #60 : Февраля 26, 2012, 03:39:25 pm »
Цитировать
А модель приведена чтобы показать интермодуляционные искажения, коих у каскада на одном транзисторе дох

Рекомендую еще обратить внимание на пару диодов в "модели" - специально, чтобы побольше говна сделать.

А хвосты - это нормально - ибо окно FFT есть 2^N, а количество периодов сигнала неточно попадает в это окно. Можно подобрать, но лень.
"Практика выше (теоретического) познания, ибо она имеет не только достоинство всеобщности, но и непосредствен

OlegFX

  • Сообщений: 5097
    • Просмотр профиля
Re: Разговор мужчин среднего возраста про ОУ, ООС...
« Ответ #61 : Февраля 26, 2012, 04:02:09 pm »
Перенёс сюда один интересный момент из темы "про выяснение отношений", чтобы не утонуло там в помоях.

Цитировать
Цитировать
INA 103 есть
Говно. Выход в классе B - посмотрите на графики IMD при малых выходных уровнях.
Это не так, в смысле намёка на ступеньку класса В. На малых уровнях IMD тонут в шумах - отсюда такие процентны. Подобные графики у всех "самых-самых" ОУ, звуковых в т.ч.
А в смысле "говно" - ну, это дело вкуса такое...



burjak

  • Сообщений: 186
  • фуз forever!
    • Просмотр профиля
    • E-mail
Re: Разговор мужчин среднего возраста про ОУ, ООС...
« Ответ #62 : Февраля 26, 2012, 04:21:24 pm »
Цитировать
А хвосты - это нормально - ибо окно FFT есть 2^N, а количество периодов сигнала неточно попадает в это окно. Можно подобрать, но лень.
Да там еще что-то с оцифровкой, то ли не берется вариация тайм-степа толи еще что-то.
Через анти-алиасинг фильтр с подальшей дискретизацией через .waveout в том же ltspice на матлабе получаются гораздо красивее результаты, хотя прекондицию сигнала/окна не делал.
Порадовало как сделано в pspice, ни огромного spectral leakage ни других приколов возникающих при тупом выполнении fft над каким-попало куском сигнала нету
« Последнее редактирование: Февраля 26, 2012, 04:25:06 pm от burjak »

Rst7

  • Сообщений: 1619
  • Мимо проходил...
    • Просмотр профиля
    • E-mail
Re: Разговор мужчин среднего возраста про ОУ, ООС...
« Ответ #63 : Февраля 26, 2012, 05:09:36 pm »
Цитировать
Да там еще что-то с оцифровкой

Да и хрен бы на него. Мы же сравниваем два каскада. Проверяем гипотезу, что спектр резко расширяется - однако, этого расширения нет и в помине. А вот то, что есть - интермодуляция - это видно аж бегом.

Цитировать
Это не так, в смысле намёка на ступеньку класса В.

Да так это все. Медленный он там, вот и растет IMD. Этими измерительными усилителями разве что сигналы с термопар усиливать - медленно и не спеша.
"Практика выше (теоретического) познания, ибо она имеет не только достоинство всеобщности, но и непосредствен

burjak

  • Сообщений: 186
  • фуз forever!
    • Просмотр профиля
    • E-mail
Re: Разговор мужчин среднего возраста про ОУ, ООС...
« Ответ #64 : Февраля 26, 2012, 05:24:40 pm »
Прогнал ламповый каскад ради прикола
подал 2 частоты 1к и 1.2к
вот сколько получил

Вот вам и все утеплители и упрозрачнители :)
« Последнее редактирование: Февраля 26, 2012, 05:26:39 pm от burjak »

ivana

  • Сообщений: 3
  • GtLab.Net forever!
    • Просмотр профиля
    • E-mail
Re: Разговор мужчин среднего возраста про ОУ, ООС...
« Ответ #65 : Февраля 26, 2012, 06:00:01 pm »
@ Rst7

Вот вы говорите религия, привОдите контраргументы... Я не готов выяснять кто из вас с Ператроном теоретически прав, но если мне на слух не нравится ОООС - что мне делать? :) Считать это предубеждением и убеждать себя что мои уши мне врут? Или искать другую сопутствующую причину и научиться правильно её (ОООС) готовить? Или остаться со своим мнением и просто не применять её в своих конструкциях, как я по возможности стараюсь и поступать? Я ещё не затрагивал всвязи с этой темой мои остальные предубеждения - непосредственная связь, большой демпинг-фактор и т.д., я их уже перечислял.

burjak

  • Сообщений: 186
  • фуз forever!
    • Просмотр профиля
    • E-mail
Re: Разговор мужчин среднего возраста про ОУ, ООС...
« Ответ #66 : Февраля 26, 2012, 06:28:39 pm »
Религия по ходу, всеравно что "если мне не нравится К-73, а нравится Wima, то что мне делать?"
« Последнее редактирование: Февраля 26, 2012, 06:29:30 pm от burjak »

OlegFX

  • Сообщений: 5097
    • Просмотр профиля
Re: Разговор мужчин среднего возраста про ОУ, ООС...
« Ответ #67 : Февраля 26, 2012, 06:56:56 pm »
По семплам камрада dks. Ну да, ярче. Всё это хорошо, пока сигнал простой. Настоящий тест - это сложный сигнал, например, ударные, а в идеале - хор. Вот тогда и вылезет (или не вылезет) вся каша. А то, что пишет Ператрон про читаемость в миксе, про яркость, выпуклость и пр. - так это же самое написано в рекламе эксайтера. Т.е. вопрос тут вот в чём: нужен ли нам действительно некрасящий преамп, либо мы ищем ту самую "говнилку" - утеплитель, приближатель, выводильщик-на-передний-план и т.п.? Это намёк на схему dks со случайными трансами и примитивным усилителем с кривым ПТ-повторителем на выходе впридачу. Это, также, не значит, что схема на рассыпухе, в противовес ОУ-шному, плоха и/или не может быть совершенно некрасящей. Может, конечно.

Глобально. По моим наблюдениям, звукачи ищут, как раз, красящие приборы с "характером". Вот это, действительно, головоломка для конструктора - ТЗ цифрами здесь не опишешь, можно, разве что, посмотреть схемы прославленных приборов... и не понять, чем же они так хороши. Ну, сделал я недавно пару LA-2A, человек молится на них, говорит, даже, что "жизнь поменялась", но схема-то кривая, 12AX7, глубокая ООС, конденсаторы какие попало и где попало стоят. Сам такое добровольно никогда бы не делал, исключительно по тех. заданию "приказано скопировать!"
« Последнее редактирование: Февраля 26, 2012, 08:29:07 pm от olegfx »

Rst7

  • Сообщений: 1619
  • Мимо проходил...
    • Просмотр профиля
    • E-mail
Re: Разговор мужчин среднего возраста про ОУ, ООС...
« Ответ #68 : Февраля 26, 2012, 07:04:33 pm »
Цитировать
но если мне на слух не нравится ОООС - что мне делать?

Да ничего. Если Вам нравится как, например, микрофонный пред красит звук интермодуляциями - хорошо, но это - Ваш "вкус и цвет". Просто имейте в виду, что есть люди, для которых этот пред не красит звук, а засирает его говном - продуктами интермодуляции. Я лучше потом на чистый сигнал "теплого лампового говна" накачу столько, сколько надо (если вдруг надо, кстати), а не столько, сколько насрало творение каких-то великовозрастных неучей.

И главное - не надо как доказательство того, что именно Ваш "вкус и цвет" есть единственный труЪ, высасывать из пальца целую теорию о том, что ОУ якобы хуже звучит из-за мифического хвоста гармоник (кстати, есть еще и другие теории, точно такие же - "изпальцевые"). Эта теория не выдерживает проверки (о чем, собственно говоря, мои иллюстрации). Нет никакого хвоста гармоник. Зато в схемах без глубокой ООС есть куча говна, которое красит звук. Для меня это - говно, для Вас - возможно мечта.

Можете расценивать это как личный наезд - ибо я ненавижу религию в любой форме.
"Практика выше (теоретического) познания, ибо она имеет не только достоинство всеобщности, но и непосредствен

ivana

  • Сообщений: 3
  • GtLab.Net forever!
    • Просмотр профиля
    • E-mail
Re: Разговор мужчин среднего возраста про ОУ, ООС...
« Ответ #69 : Февраля 26, 2012, 07:20:20 pm »
А вы не допускаете, что вы можете ошибаться? Что, например, ОООС вносит гораздо больше говна в звук чем интермодуляции от её отсутствия - и приходится выбирать меньшее зло? Или вы скажете, что нет таких параметров, которые это характеризуют и поэтому это все религия?

Давайте проведем мысленный эксперимент. 3 последовательных ОК каскада на лампах. В одном случае пара сильных межкаскадных аттенюаторов. в другом случае ОООС. Добиваемся одинакового Ку. Вы предпочтете схему с ООС?

dks

  • Сообщений: 3284
  • GTLab - forever!
    • Просмотр профиля
    • E-mail
Re: Разговор мужчин среднего возраста про ОУ, ООС...
« Ответ #70 : Февраля 26, 2012, 07:21:03 pm »
@ OlegFX

в чем примитивизм усилителя, кривизна повторителя и случайность трансов?

Собрал миксы на более сложном звуке, дабл трек и соло:
http://www.box.com/s/z8d7aa7hy69sl5he4szc
http://www.box.com/s/lnlmoljvf1om00h3hc65

И несколько непонятна претензия по простоте сигнала- акустика весьма непростой инструмент по звучанию с кучей обертонов, послезвучий пр. эффектов - это не когерентная синусоида.

« Последнее редактирование: Февраля 26, 2012, 07:26:19 pm от dks »
"Любое изолированное сообщество со временем отстаёт от общемировой цивилизации." К.Клименко

Rst7

  • Сообщений: 1619
  • Мимо проходил...
    • Просмотр профиля
    • E-mail
Re: Разговор мужчин среднего возраста про ОУ, ООС...
« Ответ #71 : Февраля 26, 2012, 07:25:14 pm »
Цитировать
Давайте проведем мысленный эксперимент. 3 последовательных ОК каскада на лампах.

Для чего это? Покрасить звук? Тогда конечно не нужна ООС. Просто усилить сигнал на, скажем, 40дБ с минимумом искажений? Тогда все 3 каскада надо выбросить и заменить на современный операционник.
"Практика выше (теоретического) познания, ибо она имеет не только достоинство всеобщности, но и непосредствен

KMG

  • Сообщений: 3776
    • ICQ клиент - 412221711
    • AOL клиент - Mike
    • Просмотр профиля
    • E-mail
Re: Разговор мужчин среднего возраста про ОУ, ООС...
« Ответ #72 : Февраля 26, 2012, 07:37:07 pm »
2 Ivana
Провокационный вопрос - какой звук больше нравится, DI сэмпл или он же пропущенный через клин канал преампа?
Причем частотной эквализацией из DI звук клина не получить, не в ачх дело.
А ведь DI сэмпл это как раз честный звук. А в клин канале куча нелинейки и интермодуляционки.
И звук акустики уже не воспринимается таким, какой он на самом деле, хочется же объема, теплоты, яркости.
Хотя НИЧЕГО этого в звуке в точке съема микрофоном на самом деле нет нет.
12 струнка тоже звучит лучше (объемнее) 6 струнки, как раз кратные октавные гармоники, интермодуляция.

Поддержу Дмитрия и Олега, суть в том что нужно - реальный звук в точке съема, или то что ХОЧЕТСЯ услышать.

А по поводу оу/рассыпуха, и из одного и из другого можно дерьмо слепить, если "не умеешь их готовить".

dks

  • Сообщений: 3284
  • GTLab - forever!
    • Просмотр профиля
    • E-mail
Re: Разговор мужчин среднего возраста про ОУ, ООС...
« Ответ #73 : Февраля 26, 2012, 07:42:29 pm »
@ KMG

Объясни мне, почему тогда эти мои страшные с общего мнения поделки на основе приборов 60-х годов  звучат как минимум не хуже Award-winning Focusrite preamps задуманных кучей иностранных инженеров, съевших зубы на этом и пр. и пр.?
"Любое изолированное сообщество со временем отстаёт от общемировой цивилизации." К.Клименко

ivana

  • Сообщений: 3
  • GtLab.Net forever!
    • Просмотр профиля
    • E-mail
Re: Разговор мужчин среднего возраста про ОУ, ООС...
« Ответ #74 : Февраля 26, 2012, 07:43:08 pm »
Возможно я сейчас напишу глупость, но если что - простите :)
Несколько дней назад я в первый раз прочитал про ПИД регуляторы. И Ператрон как-то мимоходом кинул интересную фразу, что ОООС - это из этой же серии. Пытался подумать над этим. Допустим, имеем линейную частотнонезависимую ОООС. Получаем ПИД регулятор с одной П компонентой. Глубина ОООС = коэффициенту компоненты. Чем больше глубина - тем больше П-коэффициент. Тем раньше выход на уставку, но с затухающими колебаниями и перерегулированием.

ЗЫ елси опускаться до образных аналогий, мне кажется что мне не нравится, когда усилитель "держат в жесткой узде ОООС". То же самое насчет динамика - мне кажется что ему грустно, когда его демпфирую электрически. Как колокол, который не оставляют свободно колебаться после удара, а демпфируют и постоянно возбуждают механически.

ivana

  • Сообщений: 3
  • GtLab.Net forever!
    • Просмотр профиля
    • E-mail
Re: Разговор мужчин среднего возраста про ОУ, ООС...
« Ответ #75 : Февраля 26, 2012, 07:52:08 pm »
@ KMG

Речь не про элементную базу - лампы, ОУ, рассыпуха... Речь про ОООС. А ОУ то как раз её всегда требуют, и очень глубокую - они так и задумывались. Поэтому и используются в качестве примера здесь.

И речь не про "ламповую теплоту". Хорошо, давайте возьмем 3 транзисторных ОЭ каскада с теми же условиями.

Rst7

  • Сообщений: 1619
  • Мимо проходил...
    • Просмотр профиля
    • E-mail
Re: Разговор мужчин среднего возраста про ОУ, ООС...
« Ответ #76 : Февраля 26, 2012, 07:55:21 pm »
Цитировать
Хорошо, давайте возьмем 3 транзисторных ОЭ каскада с теми же условиями.

Так объясните главное условие? Что сделать-то надо? Линейное усиление? Или "чтобы красило"?
"Практика выше (теоретического) познания, ибо она имеет не только достоинство всеобщности, но и непосредствен

dks

  • Сообщений: 3284
  • GTLab - forever!
    • Просмотр профиля
    • E-mail
Re: Разговор мужчин среднего возраста про ОУ, ООС...
« Ответ #77 : Февраля 26, 2012, 07:58:22 pm »
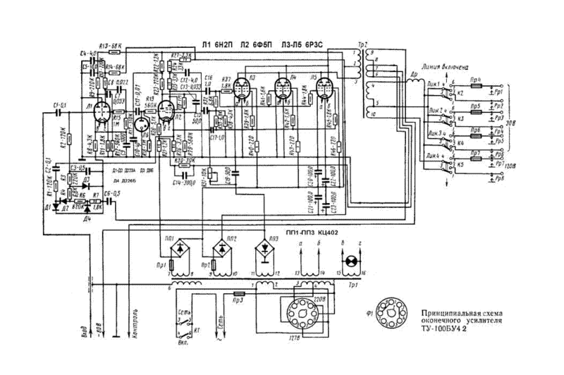
Я вот вспоминаю свою возню с ту-100бу4.2

http://fotki.yandex.ru/users/kdolotov/view/207449/

Помню что сильно удивлялся таком странному "зажатому" ламповому звуку, но когда начал просто отцеплять ОС, то звук сразу стал "оживать".
"Любое изолированное сообщество со временем отстаёт от общемировой цивилизации." К.Клименко

ivana

  • Сообщений: 3
  • GtLab.Net forever!
    • Просмотр профиля
    • E-mail
Re: Разговор мужчин среднего возраста про ОУ, ООС...
« Ответ #78 : Февраля 26, 2012, 08:01:54 pm »
Может половина ответа кроется в постановке вопроса? Чтобы меньше гадило в звук. При этом, я вполне допускаю (и это скорее всего так и есть), что в качестве измерительного усилителя аналоговых сигналов, схема с ОООС будет обладать лучшими показателями, ошибка измерения будет меньше. Но мне кажется, что ухо (может только мое :)) неодинаково реагирует на искажения сигнала разной природы, а измерительному усилителю это все равно. А вы называете это "честной передачей сигнала".

KMG

  • Сообщений: 3776
    • ICQ клиент - 412221711
    • AOL клиент - Mike
    • Просмотр профиля
    • E-mail
Re: Разговор мужчин среднего возраста про ОУ, ООС...
« Ответ #79 : Февраля 26, 2012, 08:05:07 pm »
2 dks
Лучше или так как хочется слышать тебе?????
По моему мнению лучше (для микрофонного преда) это когда звук 100% такой же как в точке съема, не ярче/глуше, объемнее/площе, а идеально такой же!
То есть сажаем слухача в точку где стоит микрофон (причем одним ухом!), а потом даем ему слушать записи, тогда можно говорить о качестве.
Или пишем два канала двумя микрофонами, в точках, где уши слухача.