Автор Тема: Переделка выхода на наушники в линейный  (Прочитано 4095 раз)

0 Пользователей и 1 Гость просматривают эту тему.

kwlw

  • Сообщений: 2408
  • Тёплый, ламповый
    • Просмотр профиля
Короче - есть USB звуковая карточка на PCM2706, у которой сделан выход на наушники по примерно такой схеме:


Есть некоторое подобие усилителя (схемы нет), на котором линейный вход сделан на плёночном конденсаторе 2.2мкф и OPA2134. В даташите PCM2706 пишут, что при нагрузке на наушники (30-50ом) искажения увеличиваются в разы по сравнении с высокоомной нагрузкой (10к ом). Как измерить без разборки входное сопротивление усилителя - ума неприложу, но вот выкинуть электролиты из пути сигнала - как бы хотелось. Как это сделать чтоб получить максимальное качество звука в данных условиях? Уже паю коробку с ЦАПом по серьёзнее, но пока он в стадии пайки - всё равно хочу с компа музыку послушать иногда, а встроенная карточка - шум да вой  :-/.

Sau
У меня - свой путь.

Denn

  • Global Moderator
  • *****
  • Сообщений: 14277
  • είμαι ο μουσικός και ο ραδιομηχανίκός
    • ICQ клиент - 322153053
    • Просмотр профиля
    • E-mail
Re: Переделка выхода на наушники в линейный
« Ответ #1 : Марта 24, 2014, 09:06:18 pm »
С выкидыванием литов из звука всё просто: на рабочем устройстве измеряем напряжение на выводах лита, если около нуля (т.е. меньше питания или половины питания), то можно закорачивать перемычкой. Если же "бочёнок" стоит на пути звука и на нём приличная разность потенциалов (как правило, это пол питания), то кондёр действительно работает как разделительный, т.е. отделяет постоянку, и его нужно просто заменить на хороший и/или забайпасить плёночным конденсатором номиналом 100..1000 нф.

"линейный вход сделан на плёночном конденсаторе 2.2мкф и OPA2134" - измерить сопротивление до и после этого конденсатора относительно земли. Либо не полениться и хакнуть схему входного каскада на этом ОУ - сразу будет понятно Rвх.

П.С. а улучшение качества начинается с организации нормального питания ЦАП'а, его опорных напряжений и аналоговой части. Только после этого имеет смысл ловить блох развлекаться с конденсаторами на пути звука ;)
Не говорите что мне делать, и я не скажу куда Вам идти.

Лучшее решение из возможных - самое простое. И наоборот.

Прежде чем судить

kwlw

  • Сообщений: 2408
  • Тёплый, ламповый
    • Просмотр профиля
Re: Переделка выхода на наушники в линейный
« Ответ #2 : Марта 26, 2014, 10:44:22 am »
Цитировать
П.С. а улучшение качества начинается с организации нормального питания ЦАП'а, его опорных напряжений и аналоговой части. Только после этого имеет смысл ловить блох развлекаться с конденсаторами на пути звука ;)

Понял. В усилитель в принципе можно полезть, в карточку - сложней. Там всё мелко, тонко, это не электролит перемычкой заменить. Сам чип хоть и поддерживает внешний источник питания, но там до его соответствующего вывода добраться делов слишком много.

Про питание - есть ли смысл не брать у компа +5в (сделать коробку-переходник) а подать их от хорошо отфильтрированного источника (мжт+нормальные конденсаторы)?

Как понимаю для компа как бы пофиг должно быть. Или всё таки резистор надо повесить между землёй и +5в, чтоб монитор тока  USB понял что девайс подлкючён?

Sau
У меня - свой путь.

Denn

  • Global Moderator
  • *****
  • Сообщений: 14277
  • είμαι ο μουσικός και ο ραδιομηχανίκός
    • ICQ клиент - 322153053
    • Просмотр профиля
    • E-mail
Re: Переделка выхода на наушники в линейный
« Ответ #3 : Марта 26, 2014, 10:53:38 am »
Цитировать
Про питание - есть ли смысл не брать у компа +5в (сделать коробку-переходник) а подать их от хорошо отфильтрированного источника (мжт+нормальные конденсаторы)?

Нет смысла. Всё равно напрямую эти +5в в звуковом тракте не используются, из них с помощью примитивных ШИМ-преобразователей на борту карты делаются вторичные напряжения питания.

Глубокое имхо, но USB-карты и качественный звук принципиально несовместимые понятия.

П.С. заморочился я в своё время моддингом E-MU 0202, так после замены конденсаторов питания на нормальные и нормальной ёмкости, грошёвые бортовые преобразователи попросту "не взлетели".
« Последнее редактирование: Марта 26, 2014, 10:55:47 am от Denn »
Не говорите что мне делать, и я не скажу куда Вам идти.

Лучшее решение из возможных - самое простое. И наоборот.

Прежде чем судить

kwlw

  • Сообщений: 2408
  • Тёплый, ламповый
    • Просмотр профиля
Re: Переделка выхода на наушники в линейный
« Ответ #4 : Марта 26, 2014, 02:09:21 pm »
Цитировать
Нет смысла. Всё равно напрямую эти +5в в звуковом тракте не используются, из них с помощью примитивных ШИМ-преобразователей на борту карты делаются вторичные напряжения питания.

Волшебного превращения в хай-энд конечно ждать нельзя, но люди пишут, что этот чип способен играть на уровне среднего CD плеера. Чего как бы и хватило, ибо лаптоп явно не дотягивает со своими писками от диска и прочими прелестями.

Вот например в этой схеме - питание разделено на аналоговое и цифровое:


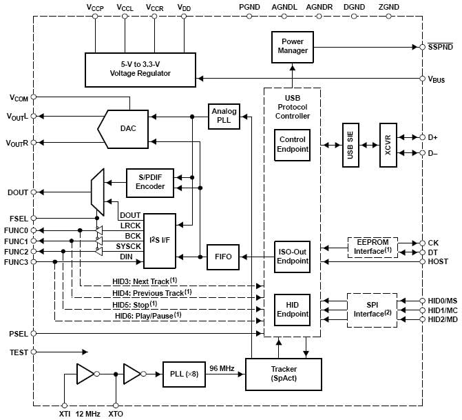
Благо сам чип как бы питается от 3.3в и преобразователь используется для конверсии из 5в от усб - в 3.3в внутри чипа (управляется ногой "PSEL"). Вот блок-схема чипа:


Видимо на досуге посмотрю возможно ли подключить питание на подобие первой схемы. 5$ это не такие деньги чтоб особо чувствовать потерю :).

Sau
« Последнее редактирование: Марта 26, 2014, 02:09:55 pm от kwlw »
У меня - свой путь.

research

  • Гость
Re: Переделка выхода на наушники в линейный
« Ответ #5 : Марта 31, 2014, 06:54:11 pm »
схем на PCM270x масса, срисуйте понравившееся решение, да и все.

2704 и выше, на сколько помню, уже снабжены усилителем для наушников.

Надо танцевать от питания усилителя, +5 там, или сколько. 2134 не панацея и качнуть 32Ом уши им не так-то просто будет. Снимите схему, дел на 2 минуты.

Проходные кондеры в схемах с PCM2702-PCM2707 выбрасываются легко и непринужденно, у PCMок есть нога виртуальной аналоговой земли (18 пин в данном случае), с него берете виртуальную землю для гаданий на опере. Будет неплохим тоном эту землю буферизовать, прежде чем гадить в нее.