Автор Тема: Проект: "Окно в Европу" (В эту тему НЕ ПИСАТЬ!)  (Прочитано 43250 раз)

0 Пользователей и 1 Гость просматривают эту тему.

DDD

  • Сообщений: 10347
  • Имею личный текст
    • Просмотр профиля
    • E-mail
Еще одна эмуляция ламп...
« Ответ #620 : Августа 28, 2015, 02:09:24 am »
В смысл не вдавался, но кому-нибудь может быть интересным:

https://www.dropbox.com/s/9yfrfk2sb5ho0xv/db_magazine.pdf?dl=0
Готов подписаться под каждым своим словом

DDD

  • Сообщений: 10347
  • Имею личный текст
    • Просмотр профиля
    • E-mail
Gizmotron - механический смычок(?)
« Ответ #621 : Сентября 18, 2015, 07:23:35 pm »
Колебания в струне возбуждаются вращающимися колесиками.
Впервые это устройство было применено группой 10СС в 70-е годы 20-го века.
Теперь оно усовершенствовано, исправлено и улучшено, и запущено в производство.
Читать здесь:
http://www.gizmotron.com/aboutus



Один из клипов в ссылке ниже:
https://youtu.be/wm1ZSb2M8sk
« Последнее редактирование: Сентября 18, 2015, 07:25:07 pm от DDD »
Готов подписаться под каждым своим словом

DDD

  • Сообщений: 10347
  • Имею личный текст
    • Просмотр профиля
    • E-mail
УМ с мягким диодным ограничением
« Ответ #622 : Октября 19, 2015, 12:01:56 pm »
Схема небезызвестного автора Joe Davisson (мощная реализация знаменитой схемы Diode Compression Op Amp этого же автора):

http://www.diystompboxes.com/analogalchemy/sch/diodepwr.html

Готов подписаться под каждым своим словом

DDD

  • Сообщений: 10347
  • Имею личный текст
    • Просмотр профиля
    • E-mail
Пассивный спикерсим от Mesa Engineering
« Ответ #623 : Октября 30, 2015, 05:30:00 pm »
http://www.aronnelson.com/gallery/main.php?g2_view=core.DownloadItem&g2_itemId=3611&g2_serialNumber=2

ИМХО в исходной схеме номиналы кондеров завышены ровно в 10 раз.
Я засимил схему, потом уменьшил ёмкости кондеров в 10 раз, и получились такие картинки:



« Последнее редактирование: Октября 30, 2015, 06:11:52 pm от DDD »
Готов подписаться под каждым своим словом

DDD

  • Сообщений: 10347
  • Имею личный текст
    • Просмотр профиля
    • E-mail
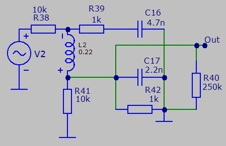
Красивая простая КВАКушка
« Ответ #624 : Ноября 01, 2015, 05:07:44 am »
Играет красиво, схема очень простая (см. клипы).
В схеме все дОлжные регулировки.
*** Смещение входного транзистора можно и должно оптимизировать по шуму, использовав меньший по номиналу резистор в цепи затвора (типа 1 МОм вместо указанных 4,7 МОм) и зашунтировав делитель VbB конденсатором об землю.

Описание и клипы в топике:
http://www.diystompboxes.com/smfforum/index.php?topic=112272.0

Готов подписаться под каждым своим словом

DDD

  • Сообщений: 10347
  • Имею личный текст
    • Просмотр профиля
    • E-mail
Занятный сайт с гитарными эффектами
« Ответ #625 : Декабря 13, 2015, 05:44:55 am »
На сайте схемы и чертежи макеток, множество сэмплов и прочей полезной мнформации.
Ассортимент - от несложных фузз-приставок до довольно навороченных аналоговых гитарных "синтезаторов" с весьма нерядовым звучанием.

http://www.parasitstudio.se/diy-guitar-effects.html

Ниже образчик звучания одного из самых навороченных синтезаторов

https://youtu.be/saSC-MWijw8
« Последнее редактирование: Декабря 27, 2015, 08:26:08 am от DDD »
Готов подписаться под каждым своим словом

DDD

  • Сообщений: 10347
  • Имею личный текст
    • Просмотр профиля
    • E-mail
Re: Проект: "Окно в Европу" (В эту тему НЕ ПИСАТЬ!)
« Ответ #626 : Декабря 27, 2015, 08:27:01 am »
Использование фактуры силумина так, как она есть:

Готов подписаться под каждым своим словом

DDD

  • Сообщений: 10347
  • Имею личный текст
    • Просмотр профиля
    • E-mail
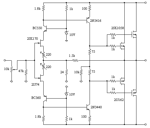
УНЧ полностью симметричный
« Ответ #627 : Января 15, 2016, 08:12:59 am »
Или почти полностью:

http://www.amplimos.it/schemi_diy.htm

Готов подписаться под каждым своим словом

DDD

  • Сообщений: 10347
  • Имею личный текст
    • Просмотр профиля
    • E-mail
Re: Проект: "Окно в Европу" (В эту тему НЕ ПИСАТЬ!)
« Ответ #628 : Февраля 19, 2016, 06:10:38 am »
Широко-известный в узких кругах hand-made усилитель "November", про который автор написал:
"... the AX84 "November", designed to emulate the "plexi/ali" sound of old Marshalls at a lower volume. It utilizes two EL84 output tubes in a push-pull configuration, and has switchable fixed- and cathode-bias on the power tubes, and an ultralinear / pentode switch on the output transformer....".
В ссылке - подробнейшие реальные осциллограммы во всех узловых точках этого усилителя.
Этот интереснейший материал был в открытом НЕТе очень недолго, сейчас он изъят из открытого обращения.
Так что, торопитесь скачать.

https://www.sendspace.com/file/umshgz
« Последнее редактирование: Февраля 19, 2016, 06:13:40 am от DDD »
Готов подписаться под каждым своим словом

DDD

  • Сообщений: 10347
  • Имею личный текст
    • Просмотр профиля
    • E-mail
Re: Проект: "Окно в Европу" (В эту тему НЕ ПИСАТЬ!)
« Ответ #629 : Февраля 20, 2016, 07:18:21 pm »
Замечательная держалка "третья рука", она же и четвертая, кстати.
С виду очень удобная и хорошо продуманная приблуда.
Заодно впечатлила также и пленка-присоска на основании держалки (suction tape).

https://www.kickstarter.com/projects/711680980/mini-hand-the-most-versatile-third-hand

Готов подписаться под каждым своим словом

DDD

  • Сообщений: 10347
  • Имею личный текст
    • Просмотр профиля
    • E-mail
Подсветка для педалек.
« Ответ #630 : Февраля 21, 2016, 02:44:26 pm »
« Последнее редактирование: Февраля 21, 2016, 02:44:56 pm от DDD »
Готов подписаться под каждым своим словом

DDD

  • Сообщений: 10347
  • Имею личный текст
    • Просмотр профиля
    • E-mail
Гусли-самогуды
« Ответ #631 : Февраля 21, 2016, 02:48:11 pm »
Вернее, гитара-самиграйка.
Дурь собачья.

https://www.kickstarter.com/projects/2123191616/solo-the-first-self-playing-guitar?ref=category
Готов подписаться под каждым своим словом

DDD

  • Сообщений: 10347
  • Имею личный текст
    • Просмотр профиля
    • E-mail
Гитарный комбик как предмет искусства или...
« Ответ #632 : Марта 04, 2016, 05:38:59 pm »
... или на всю голову фантазёр:

« Последнее редактирование: Марта 04, 2016, 05:39:30 pm от DDD »
Готов подписаться под каждым своим словом

DDD

  • Сообщений: 10347
  • Имею личный текст
    • Просмотр профиля
    • E-mail
Скачайте на ваш мобильник и...
« Ответ #633 : Марта 04, 2016, 05:43:00 pm »
... и ничего уже не надо паять: педалборд и комбик у Вас в кармане (даже есть бесплатные варианты).
https://play.google.com/store/apps/details?id=com.iraudio.umut.vamp
Готов подписаться под каждым своим словом

DDD

  • Сообщений: 10347
  • Имею личный текст
    • Просмотр профиля
    • E-mail
Новое в комбостроении
« Ответ #634 : Марта 04, 2016, 06:06:00 pm »
Один мой приятель - очень грамотный и продвинутый человек в гитарных делах - рассказал мне про этот усилитель.
Говорит, что при столь несерьезных габаритах и весе менее 4-х килограммов комбик выдает чудовищную мощь, и при этом звучит просто великолепно. Типа даже не верится, что такая кроха может так давить звуком.
Однако - давит:

http://www.ztamplifiers.com/products/

« Последнее редактирование: Марта 04, 2016, 06:08:19 pm от DDD »
Готов подписаться под каждым своим словом

DDD

  • Сообщений: 10347
  • Имею личный текст
    • Просмотр профиля
    • E-mail
Blackstone MOSFET Overdrive
« Ответ #635 : Апреля 05, 2016, 06:43:52 am »
В свое время считался бесспорно самым лушим овердрайвом.
Долгое время схема держалась в секрете. Потом, правда, вредные хакеры с freestompboxes.com ломанули ее. Оказалось, что там внутри TL072 на входе и КМОП-инверторы CD4049 в искажалке.
Однако, на сегодняшний день это неактульно по понятным причинам, а вот дизайн, по-любому, заслуживает пристального внимания: регуляторы намеренно сделаны без ручек, и крутятся медиатром.
Это позволяет сохранять их (крутилок) установки в безопсности и не париться каждый раз с настройкой. Остроумно и грамотно.
Кроме того, и сама идеология схемы с "двумя каналами" также остроумна: один канал типа предназначен для синглов, другой - для хамбакеров.
*** Реально там один канал, а кнопка переключает его АЧХ.
В общем, никаких лишних регулировок; а те крутилки, какие есть, позволяют менять звук в широких пределах. /Рекомендую послушать ВСЕ сэмплы/

http://blackstoneappliances.com/

« Последнее редактирование: Апреля 05, 2016, 07:09:42 am от DDD »
Готов подписаться под каждым своим словом

DDD

  • Сообщений: 10347
  • Имею личный текст
    • Просмотр профиля
    • E-mail
Нерядовой дизайн примочки
« Ответ #636 : Апреля 05, 2016, 07:25:17 am »
см. тему:

« Последнее редактирование: Апреля 05, 2016, 07:25:39 am от DDD »
Готов подписаться под каждым своим словом

DDD

  • Сообщений: 10347
  • Имею личный текст
    • Просмотр профиля
    • E-mail
Офигенный ассортимент ИП
« Ответ #637 : Апреля 09, 2016, 05:43:14 pm »
Номенклатура широчайшая, цены невысокие, и по номенклатуре/стоимости вполне может конкурировать с MeanWell, особенно там, где цена MeanWell не проходит. Качество с виду хорошее, переводы и описания продукции грамотные.
Особенно впечатляет широкий выбор блоков DС/DC малой мощности (1-3 Ватта) с диапазонами входных напряжений 4:1 и 2:1, а также маломощные блоки AC/DC от 1 до 3-х Ватт, с которыми в MeanWell практически вообще пусто.

http://ru.aliexpress.com/store/1302754?spm=2114.12010208.0.48.r5GpP2

Готов подписаться под каждым своим словом

DDD

  • Сообщений: 10347
  • Имею личный текст
    • Просмотр профиля
    • E-mail
Готов подписаться под каждым своим словом

DDD

  • Сообщений: 10347
  • Имею личный текст
    • Просмотр профиля
    • E-mail
Крепление блоков внутри примочки
« Ответ #639 : Апреля 30, 2016, 03:30:17 pm »
В принципе, нехудо придумано: просто, надежно, быстрее некуда.
С виду неэффективное использование объема корпуса, но кто мешает взять корпус поменьше... тут главное - принцип.

« Последнее редактирование: Апреля 30, 2016, 03:30:55 pm от DDD »
Готов подписаться под каждым своим словом