Автор Тема: Аттенюаторы (статьи, схемы, симуляция...)  (Прочитано 17434 раз)

0 Пользователей и 1 Гость просматривают эту тему.

myinf@mail.ru

  • Гость
Re: Аттенюаторы (статьи, схемы, симуляция...)
« Ответ #220 : Мая 22, 2016, 03:04:36 pm »
Буквально вчера на коленке собрал для отслушивания свежесобранного маршалла.

Сделал каклькулятор в экселе, скачать можно ТУТ, вводные данные "K" и "Z"

Первичка трансформатора от безперебойника намотана толстенным проводом и даёт в аккурат 11мГ. (мне надо было 20 для 16ти ом)






« Последнее редактирование: Мая 22, 2016, 03:06:43 pm от myinf@mail.ru »

Gregg

  • Сообщений: 650
  • GTLab - forever!
    • Просмотр профиля
Re: Аттенюаторы (статьи, схемы, симуляция...)
« Ответ #221 : Мая 22, 2016, 03:59:02 pm »
Значит выходит что то так:
1/ 8 Ом /1% - 39/4/0,5/7,5
2/ 8 Ом /4% - 33/8/2/6
3/ 16 Ом /1% - 77/8/1/15
4/ 16 Ом /4% - 66/16/4/12

Один переключатель - 4 комбинации. Какой то трюк там применили.
« Последнее редактирование: Мая 22, 2016, 04:00:06 pm от Gregg »

myinf@mail.ru

  • Гость
Re: Аттенюаторы (статьи, схемы, симуляция...)
« Ответ #222 : Мая 22, 2016, 05:29:10 pm »
Вряд-ли. Скорее компромисс. Вы уверены, что отличите в слепую Рассчетный вариант от компромисса если скажем только делитль переключать, а нижний "костыль" оставить неким усредненным?

Gregg

  • Сообщений: 650
  • GTLab - forever!
    • Просмотр профиля
Re: Аттенюаторы (статьи, схемы, симуляция...)
« Ответ #223 : Мая 22, 2016, 06:20:11 pm »
Я вообще не уверен что смогу отличить :) Поэтому думаю что из делителя сделали отводы на 1 и 4%. Еще на фотках видно в приборе только один конденсатор. Еще один компромис?

myinf@mail.ru

  • Гость
Re: Аттенюаторы (статьи, схемы, симуляция...)
« Ответ #224 : Мая 22, 2016, 06:48:57 pm »
Я не в курсе и не вникал. У меня все на 16  8-)

myinf@mail.ru

  • Гость
Re: Аттенюаторы (статьи, схемы, симуляция...)
« Ответ #225 : Мая 23, 2016, 01:06:36 pm »
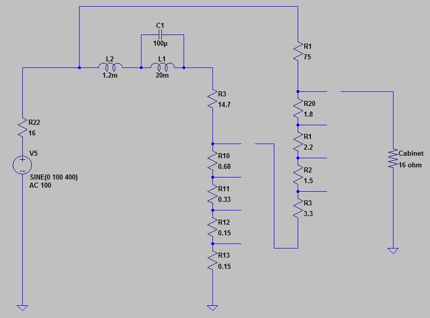
Исходя из моего посдледнего опыта с усилителем 50Вт и аттенюатором 1:100 с динамиками 100дБ сигнала оказалось слегка многовато. Что бы не заморачиваться кучей резисторов и хитрыми переключениями решил немного оптимизировать схему под 4 идеальных для дома коэфициента: 1%, 0.5%, 0.25% и 0.125%

В соответствии с  Витиной статьёй R3 и R4 оказались не столь критичными в заданом диапазоне и оптимизировав я оставил их фиксироваными 80ом и 15.5ом соответственно. Таким образом переключая сдвоенным галетником R1 и R2  можно легко получиь вышеуказаные коэфициенты.

Ниже схемы и результат симуляции. На высокоомные делитель не обращать внимания. Это для накладывания кривых одну на другую. АЧХ сняты в точке соединения выхода аттенюатора с кабинетом.




« Последнее редактирование: Мая 23, 2016, 02:01:09 pm от myinf@mail.ru »

myinf@mail.ru

  • Гость
Re: Аттенюаторы (статьи, схемы, симуляция...)
« Ответ #226 : Мая 23, 2016, 11:34:58 pm »
Вобщем решил я довести проект до логического завершения.

Коэфициенты изменил соответственно на 1.3%, 0.63%, 0.3% и 0.15% от входной мощности.

Мощность резисторов отсимулировал в спайсе изходя из того, что в теории раскачаный до менадра 100W УМ выдаст около 150W.

На R1 при номинале не более 25W, в резонансе 70W

На R4 не более 150W (7х100ом 50W на радиаторах)

На плече R10-R13 в сумме не более 12W
Выбор пал на эти: http://www.banzaimusic.com/MOX-10W-Series/
R10 составной из 1.2||1.5ohm

На плече R20-R23 в сумме не более 0.7W номинал, в резонансе не более 9.5W
Выбор пал на эти: http://www.banzaimusic.com/MOX-5W-Series/

Переключатель 4 позиции на 3 группы контактов: http://www.banzaimusic.com/Rotary-Switch-1x3x4.html

Через R20-R23 в сторону R10-R13 пойдёт ток до 1А, поэтому следует запараллелить две группы контактов.
Оставшуюся третью группу на делитель R20-R23. ток в нагрузку не привышает 350мА.

Максимальный ток (в резонансе) через катушку L1 - 7.5A, максимальное напряжение на C1 - 100V.




« Последнее редактирование: Мая 24, 2016, 01:51:12 pm от myinf@mail.ru »

myinf@mail.ru

  • Гость
Re: Аттенюаторы (статьи, схемы, симуляция...)
« Ответ #227 : Мая 24, 2016, 09:21:16 am »
[size=12]Поправочка: R20 = 2.7ohm[/size]
« Последнее редактирование: Мая 24, 2016, 01:53:27 pm от myinf@mail.ru »

Gregg

  • Сообщений: 650
  • GTLab - forever!
    • Просмотр профиля
Re: Аттенюаторы (статьи, схемы, симуляция...)
« Ответ #228 : Мая 24, 2016, 01:03:29 pm »
Сравнивая схемку оригинала както по другому все подключено.

myinf@mail.ru

  • Гость
Re: Аттенюаторы (статьи, схемы, симуляция...)
« Ответ #229 : Мая 24, 2016, 01:52:35 pm »
Привинтил Витину схему. Что там по другому?  :-?  :-?  :-?

Порядок контура, L1 и R4 значения не имеет...

Согласно Витиной схеме R4 увеличивается на столько, на сколько уменьшается R3, практически аналогично с R1 и R2. 
R1+R2 влияют на добротность, мелкие погрешности тоже не критичны - вам что имеет значение будет там 1.3% или 1.2% ??? Это же не измерительная техника...

Скачайте мой эксель фаил или посчитайте сами вручную...
« Последнее редактирование: Мая 24, 2016, 02:02:14 pm от myinf@mail.ru »

Gregg

  • Сообщений: 650
  • GTLab - forever!
    • Просмотр профиля
Re: Аттенюаторы (статьи, схемы, симуляция...)
« Ответ #230 : Мая 24, 2016, 08:57:56 pm »
Я не симулировал и не знаю что имеет значения и что нет. Иногда сложные вещи понять просто, а простые сложно.
Если уточните какие номера резисторов сима (или их сумма) отвечают Витиных тогда может и прояснится все.

VasiliuS

  • Сообщений: 454
  • GTLab - forever!
    • ICQ клиент - 122816791
    • Просмотр профиля
    • E-mail
Re: Аттенюаторы (статьи, схемы, симуляция...)
« Ответ #231 : Мая 24, 2016, 09:12:46 pm »
Я тоже, как раз, решил провести, наконец-то, эксперименты с аттенюатором :

сделал на коленке "стенд" -)


Основная задача стояла выяснить можно ли доверять прибору измерения индуктивности для катушек с сердечником. В моем случае использовался прибор Mastech MY6243. Было мнение, что под нагрузкой индуктивность может меняться из-за насыщения сердечника. АЧХ мерял RMAA. К сожалению, потратил почти сутки, пока дошло как управляться с программой: проводя замеры у меня получалась "рваная" АЧХ с множествами пиками до +- 3дБ. Долго не мог получить нормальных АЧХ, пока не додумался регулировать уровень сигнала не из программы...  :'( :( >:(  Программа "меряет" не совсем адекватно если есть клипинг или уровень не достаточный, но в некоторых режимах я не мог избежать клипинга, и поэтому не оч уверен в достоверности измерений.
Так же в программе есть два метода измерения АЧХ: мультитон и свип...
Мне удалось сделать замер при громкости на усилителе в положении 12часов - где не было клипинга и RMAA показал более-менее ожидаемый результат. При замерах на 13 и 16 часов - был или клипинг или не достаток уровня для измерения, я пока не смог найти компромисс между уровнем выхода с карты, делителем в нагрузке, и гейне на карте, что б провести измерения в RMAA так, что и уровня хватало и не было клипинга.

Вот прилагаю АЧХ при 12ч, 13ч, 16ч на мастере, первые это измерение мультитоном, вторые свипом:







Усилитель РР EL34, сигнал подавался в ретурн.
Смущает изменение горба на ВЧ при увеличении громкости. То ли это ошибка при измерениях, то ли специфика усилителя (вряд ли это характерно для оконечника), то ли нагрузка ведет себя так, не знаю... Завтра попробую замерять на реальном 4-12 Т75. Но при игре в аттенюатор, действительно было оч много "задраного верха".

Соглашусь, что 1% для 50Вт головы явно многова-то, думаю К=0,125-0,250 было бы достаточно

Ну и что касается замеров индуктивности. В моем случае использовалась катушка с фильтра портальной колонки, с сердечником из I пластин, шириной 18мм, толщина пластин 0,35мм, и толщина набора 30мм. Прибор показал индуктивность в 6,4мГн. В результате разница между просимулированным и измеренным единицы Герц.
« Последнее редактирование: Мая 24, 2016, 09:16:08 pm от vasilius »

VasiliuS

  • Сообщений: 454
  • GTLab - forever!
    • ICQ клиент - 122816791
    • Просмотр профиля
    • E-mail
Re: Аттенюаторы (статьи, схемы, симуляция...)
« Ответ #232 : Мая 25, 2016, 12:58:38 pm »
Вроде разобрался со странным поведением на верхах  ::)

у меня ВЧ индуктивность была прикручена шайбой для тора шурупом - шуруп хоть и был наполовину катушки - но являлся сердечником -))) При повышении тока через катушку он давал о себе знать. Выкрутил - и все встало на место -))))) Натюленил вообщем -)

Как по мне , то К=1 для 50Вт многовато, часов на 10 еще нормально днем играть - выше уже громко

VasiliuS

  • Сообщений: 454
  • GTLab - forever!
    • ICQ клиент - 122816791
    • Просмотр профиля
    • E-mail
Re: Аттенюаторы (статьи, схемы, симуляция...)
« Ответ #233 : Мая 25, 2016, 11:45:35 pm »
Jimmy Page
В твоей схеме "до логического завершения" ошибка
При изменении аттенюации, у тебя не меняется шунтирующее сумарное сопротивление (R1+R2 по схеме В.Кемпфа)

вот пример на 8 Ом с К=1, 0.5, 0.25, 0.125


Вообще, вариант на 8 Ом более приемлемый из-за индуктивностей, чем на 16 Ом. Да и в качестве нагрузки можно применять любой кабинет : 4-16Ом.

myinf@mail.ru

  • Гость
Re: Аттенюаторы (статьи, схемы, симуляция...)
« Ответ #234 : Мая 26, 2016, 01:11:01 am »
Цитировать
Jimmy Page
В твоей схеме "до логического завершения" ошибка
При изменении аттенюации, у тебя не меняется шунтирующее сумарное сопротивление (R1+R2 по схеме В.Кемпфа)
 

Ты или куда-то не туда смотришь или не понимаешь принцип работы.
Галетник на две группы контактов. Оба контакта на схеме одномоментно двигаются вверх или вниз, одномоментно изменяя тем самым все 4 сопротивления.
Ниже привожу таблицу с рассчётными номиналами. Положи Витину схему, мою схему и таблицу перед лицом и проанализируй...

Я уже молчу о том, что я в аккурат попал в стандартные номиналы 5% сетки.

Вот ты как раз и намудрил чего то лишнего...третий галетник там не нужен.... Во всяком случае если ты готов пожертовать красивыми цифрами "К%" как это сделал я.
Бери мои расчёты R1-4, дели ровно на два (согласно Витиной статье) и будет тебе счастье  ;)

« Последнее редактирование: Мая 26, 2016, 01:13:27 am от myinf@mail.ru »

VasiliuS

  • Сообщений: 454
  • GTLab - forever!
    • ICQ клиент - 122816791
    • Просмотр профиля
    • E-mail
Re: Аттенюаторы (статьи, схемы, симуляция...)
« Ответ #235 : Мая 26, 2016, 08:14:50 am »
Jimmy Page

Я всего лишь обращаю твое (сори что перешел на Ты) внимание,
что общее суммарное шунтирующее сопротивление R1+R2 (по схеме Виктора) при
K=      1,3      -> 84,7
K=      0,63      -> 85,4
K=      0,3      -> 85,7
K=      0,15      -> 85,9

у тебя же оно одинаковое для всех К, и равно 83,8.

И дело не в красивых К, а в учете этой закономерности или нет.
И учитывать это, или заносить в погрешность  - это уже иной вопрос.

ЗЫ: моя табличка не хуже твоей

myinf@mail.ru

  • Гость
Re: Аттенюаторы (статьи, схемы, симуляция...)
« Ответ #236 : Мая 26, 2016, 10:40:56 am »
Погрешности R1+R2 для К1.3-0.15 получились 0.75% 1.34% 1.59% 1.75% соответственно. Как с этим жить я не знаю :) Дай бог чтоб мои 5% резисторы уложились в это :) Я молчу о том какие резонансы возикают в наших комнатах, что будет даже с 1% резисторами при нагреве в работе и какое расхождение между нашими реальными кабинетами и нашими реальными Dummy нагрузками ;)

Пока писал ответ, всё таки полез в симулятор.
В точке соединения усилитель-аттенюатор при четырёх разных "К" с моими номиналами максимальное несоответствие графиков между собой 0.025-0.035дБ в локальных точка.

В точке соединения аттенюатор-кабинет 0.17-0.14дБ  :)

Расхождения 8 графиков в точках между усилитель-аттенюатор и аттенюатор-кабинет  в пределах 0.17-0.24дБ

Вот .asc фаил. пробуй.  https://www.sendspace.com/file/mb6gty

myinf@mail.ru

  • Гость
Re: Аттенюаторы (статьи, схемы, симуляция...)
« Ответ #237 : Мая 26, 2016, 10:44:07 am »
ЗЫ. А ты на каких чатсотах токи и мощности мерял в своей таблице?
На резонансе ведь нагрузка (контур) как бы стремится к разрыву....вся мощность приходится на R1+R2.

VasiliuS

  • Сообщений: 454
  • GTLab - forever!
    • ICQ клиент - 122816791
    • Просмотр профиля
    • E-mail
Re: Аттенюаторы (статьи, схемы, симуляция...)
« Ответ #238 : Мая 26, 2016, 11:17:55 am »
Jimmy Page

Да я не против, при таких малых К - все эти мелкие значения резисторов нивелируются от резистора к резистору из-за номинального ряда.
Но при больших К это может быть значимо (при меньших по мощности аттенюаторах).
У меня свой .asc - я все так же моделирую, как и ты...

У тебя диалог, как-будто я оспариваю что-то... Я пытаюсь сделать уточнения, ради результата....

на счет мощностей - их расчет в таблице согласно статьи Виктора.

myinf@mail.ru

  • Гость
Re: Аттенюаторы (статьи, схемы, симуляция...)
« Ответ #239 : Мая 26, 2016, 12:03:54 pm »
Цитировать
У тебя диалог, как-будто я оспариваю что-то... Я пытаюсь сделать уточнения, ради результата....

Прошу прощения :D


В личной переписке Витя сказал, что для нет смысла делать более 10%.

Я всё же на досуге сделаю ещё одну нагрузку по принципу 4х12"
Одно звено буду извлекать, и вместо него подключать кабинет. Получится К=25%. Для мелких комбиков и небольших помещений может быть вполне юзабельный девайс.