Автор Тема: A Discrete FET Guitar Preamp  (Прочитано 43140 раз)

0 Пользователей и 1 Гость просматривают эту тему.

Mikola Ptashnikoff

  • Сообщений: 243
  • TESAURUS
    • ICQ клиент - 264272760
    • Просмотр профиля
    • E-mail
A Discrete FET Guitar Preamp
« : Сентября 16, 2010, 11:14:22 am »
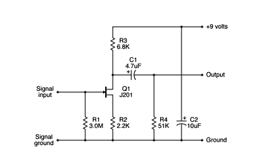
A Discrete FET Guitar Preamp
http://www.till.com/articles/GuitarPreamp/

сделал вчера этот пред, долго не мог его повторить т.к. не было J201.
и вот купил вот такие

2 трабла вылезло:
1. на стоке не получается желаемых 6 вольт, там 8, чтобы сделать около 6 пришлось почти в 0 убрать R2 (я вместо резистора поставил подстроечник).
2. Пробывал записать, звучит неплохо. но ограничевается нижняя полуволна.


кто с полевиками на ты, подскажите пожалуйста!

Gunpowder

  • Сообщений: 976
    • Просмотр профиля
    • E-mail
Re: A Discrete FET Guitar Preamp
« Ответ #1 : Сентября 16, 2010, 11:37:36 am »
Мда уж. Буржуйским преампостроителям иногда было бы полезно клизму ставить.

В данном случае J201 лучше приберечь для других дел. Чтобы не клипало сюда надо ставить кп303е/г/д, MPF102, 2n5459 и т.д. В сток поставить построечник 10к и накрутить на стоке половину питания.
Я собрал Маршалл из телевизора Весна, а он звучит не как Маршалл, а как Весна. В чем может быть проблема?

Куплю недорого эликсир молодо

Peratron

  • Сообщений: 13579
  • GTLab - forever!
    • Просмотр профиля
    • E-mail
Re: A Discrete FET Guitar Preamp
« Ответ #2 : Сентября 16, 2010, 11:40:00 am »
Цитировать
на стоке не получается желаемых 6 вольт, там 8, чтобы сделать около 6 пришлось почти в 0 убрать R2 (я вместо резистора поставил подстроечник).
Поставь пару штук (или больше) в параллель - это только улучшит параметры усилителя (уменьшит коэффициент шума - шумы складываются, как корни квадратные из количества транзисторов в кластере, а сигнал возрастёт прямо пропорционально этому количеству).
Тогда можно увеличить до нужного значения истоковый резистор.

Хорошо бы подобрать транзисторы по напряжению отсечки - этот параметр в данном случае приоритетней, чем начальный ток. Потому сначала подбери по напряжению отсечки, а из подобранных выбери близкие по току.

Цитировать
Пробывал записать, звучит неплохо. но ограничевается нижняя полуволна.
Значит малО напряжение отсечки - потому уменьшать истоковый резистор тем более не следует.
При том, что у тебя гитара имеет большую отдачу - заморачиваться с установкой указанного напряжения на стоке не надо. Если с одним транзистором и 2 кОм в истоке звучит нормально при 8 вольтах, то пусть так и будет...
Схемотехническая мантра: титцешенкохоровицехилл. Повторять до просветления...

Взводатор

  • Global Moderator
  • *****
  • Сообщений: 2982
  • GTLab - forever!
    • Просмотр профиля
Re: A Discrete FET Guitar Preamp
« Ответ #3 : Сентября 16, 2010, 12:14:43 pm »
1. Отпаяй R2 и включи вместо него вольтметр и подай питание - он покажет тебе напряжение отсечки твоего транзистора.
2. Верни R2 и установи на нем напряжение, примерно в половину отсечки.
3. С помощью R3 установи на стоке примерно половину напряжения между истоком и +питания.
4. Подстройкой R3 добейся максимальной неискаженной амплитуды сигнала.
5. Для бОльшей свободы использования регулятор уровня поставь перед усилителем.
6. С выигрышем по шумам сильно не заморачивайся - выигрыш от коменсации паразитных параметров соединительного шнура будет гораздо выше. Хотя, хозяин - барин.
7. Ограничения по выходу наступают гораздо раньше, чем по входу, поэтому, если потребляемый ток будет не удовлетворять, захочешь поменьше, то смещение можно увеличить. Но опять нужно будет подстроить напряжение на стоке для получения  максимальной амплитуды.
Нет ничего практичнее хорошей теории.

Mikola Ptashnikoff

  • Сообщений: 243
  • TESAURUS
    • ICQ клиент - 264272760
    • Просмотр профиля
    • E-mail
Re: A Discrete FET Guitar Preamp
« Ответ #4 : Сентября 16, 2010, 12:15:12 pm »
Gunpowder
я поставил подстроечник на 10к сразу когда паял, но ниже 6 вольт не упало при том что сопротивление было 0.

посоветуй куда хорошо бы пошли J201.
Peratron
звучит не плохо. но немного поддравливает. при записи видно как нижняя полуволна значитель меньше верхней.

А вообще задача изначально стояла как сделать согласователь по импедансам(высокое входное и низкое выходное) гитары с пассивами и входом звуковой карты.

Peratron

  • Сообщений: 13579
  • GTLab - forever!
    • Просмотр профиля
    • E-mail
Re: A Discrete FET Guitar Preamp
« Ответ #5 : Сентября 16, 2010, 12:28:26 pm »
Цитировать
звучит не плохо. но немного поддравливает. при записи видно как нижняя полуволна значитель меньше верхней.
Вот я тебе и говорю, как достичь того, что б не было ограничения на входе: усилитель инвертирующий - значит нижняя полуволна на выходе соответствует верхней полуволне на входе.
Ограничение наступает из-за того, что открывается затвор - а это происходит из-за смещения рабочей точки от оптимальной.
Твои транзисторы имеют невысокую крутизну, небольшой начальный ток и низкое напряжение отсечки. Запараллеливание транзисторов создаёт эквивалентный транзистор с увеличенной крутизной и начальным током.

Цитировать
А вообще задача изначально стояла как сделать согласователь по импедансам(высокое входное и низкое выходное) гитары с пассивами и входом звуковой карты.

Если хочешь только согласовать импедансы - незачем использовать усилительный каскад. Достаточно использовать истоковый повторитель - увеличить номинал истокового сопротивления до, скажем, 10 кОм и снимать сигнал с него, закоротив при этом стоковую нагрузку.
Схемотехническая мантра: титцешенкохоровицехилл. Повторять до просветления...

Vilsi

  • Сообщений: 507
  • GTLab - forever!
    • Просмотр профиля
Re: A Discrete FET Guitar Preamp
« Ответ #6 : Сентября 16, 2010, 12:29:44 pm »
у J201 разброс по начальному току от 0,2 до 1 мА. если тебе попались с нижним уровнем - как ни бейся, больше (меньше) 6 В не получишь. (9В - 0,2 х 6,8к = 7,6 В) и вся партия, скорее всего, одинаковая.
а вот с ограничением по нижней полуволне не очень понятно. во всяком случае, стоит проверить правильность подключения транзистора. ничего не перепутал?
и еще вопрос: какую амплитуду с него снимаешь? когда наступает ограничение?
« Последнее редактирование: Сентября 16, 2010, 12:37:42 pm от Vilsi »

Peratron

  • Сообщений: 13579
  • GTLab - forever!
    • Просмотр профиля
    • E-mail
Re: A Discrete FET Guitar Preamp
« Ответ #7 : Сентября 16, 2010, 12:33:08 pm »
@ Взводатор
Цитировать
Ограничения по выходу наступают гораздо раньше, чем по входу
Только при условии правильного выбора рабочей точки.

В данном случае обвязка каскада соответствует другому полевику, с большими крутизной, начальным током и отсечкой. Но можно применить и эти - создав транзисторный кластер, обладающий большей крутизной и начальным током.
Схемотехническая мантра: титцешенкохоровицехилл. Повторять до просветления...

Gunpowder

  • Сообщений: 976
    • Просмотр профиля
    • E-mail
Re: A Discrete FET Guitar Preamp
« Ответ #8 : Сентября 16, 2010, 12:41:14 pm »
Mikola Ptashnikoff, Типовое значение стокового резистора для применяемого тобой типа транзисторов 15-20к. Потому диапазона регулировки подстроечника просто не хватило.

Если изначально стояла задача сделать согласователь то нужен повторитель на высокоотсечном ПТ и все.

Взводатор, имхо, не стоит вообще заморачиваться с настройкой каскадов на низкоотсечных ПТ для съема звука гитары. Если например с клиппингом по выходу еще можно что-то сделать снижением усиления, то с клиппингом по входу ничего нельзя сделать принципиально. Для J201 думаю больше чем +-0.5В входного диапазона не добьешся, а такой диапазон для гитары неприемлем.

Peratron +1
Я собрал Маршалл из телевизора Весна, а он звучит не как Маршалл, а как Весна. В чем может быть проблема?

Куплю недорого эликсир молодо

Vilsi

  • Сообщений: 507
  • GTLab - forever!
    • Просмотр профиля
Re: A Discrete FET Guitar Preamp
« Ответ #9 : Сентября 16, 2010, 12:49:07 pm »
а еще вопрос: а входное сопротивление следующего каскада?
и еще: а что это за транзистор - с обратносмещенным п-н переходом или с изолированным затвором? судя по обозначению, с изолированным затвором. или я чё-то не понимаю?
« Последнее редактирование: Сентября 16, 2010, 01:04:25 pm от Vilsi »

Serchey

  • Сообщений: 589
  • GTLab - forever!
    • Просмотр профиля
Re: A Discrete FET Guitar Preamp
« Ответ #10 : Сентября 16, 2010, 01:07:25 pm »
Может речь идет о простой несимметричности гитарного сигнала - и никакой клиппинг здесь не при чем? :)

ПС. как сюда станет 2sk117 ?
« Последнее редактирование: Сентября 16, 2010, 01:38:07 pm от Serchey »
Нету невыполнимых задач, бывают неправильно поставленные :)

От работы дохнут кони, но я маленький бессмертный пони :)

Взводатор

  • Global Moderator
  • *****
  • Сообщений: 2982
  • GTLab - forever!
    • Просмотр профиля
Re: A Discrete FET Guitar Preamp
« Ответ #11 : Сентября 16, 2010, 01:55:44 pm »
Цитировать
@ Взводатор
Цитировать
Ограничения по выходу наступают гораздо раньше, чем по входу
Только при условии правильного выбора рабочей точки.

Вот я и описал, как выбрать рабочую точку - посередине входной характеристики. Если будет запас - можно подвигать ее вправо-влево на вкус и цвет.

Цитировать
В данном случае обвязка каскада соответствует другому полевику, с большими крутизной, начальным током и отсечкой.
Стандартная обвязка. Дело только в номиналах резисторов.

Цитировать
Mikola Ptashnikoff, Взводатор, имхо, не стоит вообще заморачиваться с настройкой каскадов на низкоотсечных ПТ для съема звука гитары. Если например с клиппингом по выходу еще можно что-то сделать снижением усиления, то с клиппингом по входу ничего нельзя сделать принципиально. Для J201 думаю больше чем +-0.5В входного диапазона не добьешся, а такой диапазон для гитары неприемлем.
Если нет других транзисторов - придется заморачиваться на тех, что есть.
0.5В - вполне достаточно для среднего случая. А вот тогда, когда недостаточно - я и рекомендую поставить регулятор уровня перед усилителем.
С клиппингом по входу можно бороться и еще одним способом - с помощью ООС в истоковой цепи. Пример - http://users.i.com.ua/~miroshko/miractive
Нет ничего практичнее хорошей теории.

Mikola Ptashnikoff

  • Сообщений: 243
  • TESAURUS
    • ICQ клиент - 264272760
    • Просмотр профиля
    • E-mail
Re: A Discrete FET Guitar Preamp
« Ответ #12 : Сентября 16, 2010, 01:56:33 pm »
так можно ли с J201 сделать нормальный истоковый повторитель для гитарных дел и если можно схему с правильными номиналами.

Взводатор

  • Global Moderator
  • *****
  • Сообщений: 2982
  • GTLab - forever!
    • Просмотр профиля
Re: A Discrete FET Guitar Preamp
« Ответ #13 : Сентября 16, 2010, 02:02:48 pm »
Посмотри описание Мирактива - в конце я отвечал человеку, у которого полевик очень похож на твой.
Нет ничего практичнее хорошей теории.

Mikola Ptashnikoff

  • Сообщений: 243
  • TESAURUS
    • ICQ клиент - 264272760
    • Просмотр профиля
    • E-mail
Re: A Discrete FET Guitar Preamp
« Ответ #14 : Сентября 16, 2010, 02:31:05 pm »
Взводатор
там используются КП303Г и просто КП303(если я правильно понял можно с любым буквенным индексом из КП303) в качестве истокового повторителя.
а как же с J201?

Взводатор

  • Global Moderator
  • *****
  • Сообщений: 2982
  • GTLab - forever!
    • Просмотр профиля
Re: A Discrete FET Guitar Preamp
« Ответ #15 : Сентября 16, 2010, 02:44:46 pm »
> Я сейчас собираю Мирактив для баса, просьба проверить режим транзистора VT1
> (который сразу после звукоснимателя идет) по схеме, вот то что уменя вышло:
> Параметры полевика VT1: I_0=1.22mA, U_0=0.8В. - очень похож на j201 -
> Питание: 9.8В
> Напряжения относительно земли на выводах полевика:
> исток: 0.64В
> сток: 5.05В
>
> При этом мне пришлось намного увеличивать номаналы резисторов в этом
> каскаде по сравнению с материалами статьи о Миркативе.
>
> Подобранные номиналы и напряжения на выводах резисторов:
> R2 17.7КОм, 4.6В - как раз половина напряжения между плюсом питания и
> истоком. R3 1.5КОм, 0.4В, R4 я поставил 910 Ом, R1 2МОм.
>
> Вобщем я постарался подобраться к нужным значениям, вопрос только в том,
> что номиналы резисторов уж очень сильно рознятся с вашими. Это нормально? На
> звук этот каскад еще не слушал, просто хочу убедиться, что все ОК.

Все нормально - отличия в номиналах определяется параметрами транзисторов, которые могут отличаться в несколько раз и по разному комбинироваться. Если у тебя получились хорошие режимы при этих номиналах, то прослушивай звук и при отсутствии искажений и/или компрессии все собирай в законченную конструкцию.
« Последнее редактирование: Сентября 16, 2010, 02:46:29 pm от vzvodatorr »
Нет ничего практичнее хорошей теории.

Peratron

  • Сообщений: 13579
  • GTLab - forever!
    • Просмотр профиля
    • E-mail
Re: A Discrete FET Guitar Preamp
« Ответ #16 : Сентября 16, 2010, 03:55:36 pm »
Цитировать
Вот я и описал, как выбрать рабочую точку - посередине входной характеристики. Если будет запас - можно подвигать ее вправо-влево на вкус и цвет.
Это при условии привязки истока к земле - а при наличии истокового сопротивления можно работать и с краю, потому, что основная часть входного напряжения будет падать на этом сопротивлении, а входу полевика достанется совсем немного.

Цитировать
Стандартная обвязка. Дело только в номиналах резисторов.
Вопрос не в конфигурации - вопрос именно в номиналах: номиналы однозначно определяются параметрами полевика и одно должно быть адекватно другому.

Цитировать
С клиппингом по входу можно бороться и еще одним способом - с помощью ООС в истоковой цепи.
Незашунтированное сопротивление в истоке и есть "ООС в истоковой цепи".

Ошибкой является уменьшение номинала истокового резистора с целью подогнать напряжение на стоке. В данном случае надо подбирать стоковый резистор - в сторону увеличения, если есть желание получить усиление побольше. Или не заморачииватся с напряжением на стоке вовсе - оно не влияет на клиппинг...

Схемотехническая мантра: титцешенкохоровицехилл. Повторять до просветления...

Peratron

  • Сообщений: 13579
  • GTLab - forever!
    • Просмотр профиля
    • E-mail
Re: A Discrete FET Guitar Preamp
« Ответ #17 : Сентября 16, 2010, 04:01:50 pm »
Цитировать
Для J201 думаю больше чем +-0.5В входного диапазона не добьешся, а такой диапазон для гитары неприемлем.
Не забывай про нешунтированный резистор в истоке - с ним можно получить любой диапазон по входу при достаточной крутизне полевика.

В конце концов, биполяр по определению имеет размах по входу меньше 100 мВ - но спокойно отрабатывает без отсечек вольты, при достаточном номинале эмитерного сопротивления. Потому, что у него крутизна на порядки превосходит крутизну полевика.
Схемотехническая мантра: титцешенкохоровицехилл. Повторять до просветления...

buncker

  • Сообщений: 607
  • Я люблю форум YaBB 1G - SP1!
    • ICQ клиент - 243318516
    • Просмотр профиля
    • E-mail
Re: A Discrete FET Guitar Preamp
« Ответ #18 : Сентября 16, 2010, 04:43:49 pm »
что посоветуете если надо сделать повторитель с хорошим запасом по амплитуде входного напряжения?

т.е цель - воткнуть бодрый хамбакер в такой дивайс и получить от дивайса тольк осогласование спопротивлений без искажения и усиления.

кп303 включить истоковым повторителем и не мучаться?

Apl

  • Сообщений: 411
  • GTLab - forever!
    • ICQ клиент - 61049725
    • Просмотр профиля
    • E-mail
Re: A Discrete FET Guitar Preamp
« Ответ #19 : Сентября 16, 2010, 08:07:22 pm »
пожалуйста выложите схемку  истокового повторителя на кп303, проверенную, а то кре-что нашлось и всюду разные номиналы  :-[