Автор Тема: Помогите разобраться с КМОП загадкой  (Прочитано 5709 раз)

0 Пользователей и 1 Гость просматривают эту тему.

Hyde

  • Сообщений: 578
  • GTLab - forever!
    • Просмотр профиля
    • E-mail
Здравствуйте. Задача для меня со звёздочкой, мб для кого-то из вас начальная.
Дано: два переключателя без фиксации. Ими нужно переключать триггеры 1 и 2 но так, чтобы можно было с помощью мультиплексора на CD4053 менять местами включаемые тумблерами триггеры. Триггеры К651ТМ2 в режиме счёта.

Вроде всё просто, но какого-то лешего эта схема не работает. Причём когда вместо мультиплексора ставлю перемычки - всё ок, всё ништяк. Вставляю мультиплексор - начинается что-то необъяснимое. То не переключаются триггеры вообще, то переключаются сразу два, то включаются только на время зажима кнопки. В общем в печали я, помогите мне не печалиться, пожалуйста)

« Последнее редактирование: Октября 15, 2013, 07:10:06 am от slayer »

ФёдорЫч

  • Сообщений: 1065
  • Long live Rock-n-Roll!!!
    • Просмотр профиля
    • E-mail
Re: Помогите разобраться с ТТЛ загадкой
« Ответ #1 : Октября 14, 2013, 05:36:21 pm »
Похоже на дребезг контактов. Мультиплексор "не понимает" чего ему делать. Включите перед ним схему устранения дребезга контактов и попробуйте.

Hyde

  • Сообщений: 578
  • GTLab - forever!
    • Просмотр профиля
    • E-mail
Re: Помогите разобраться с ТТЛ загадкой
« Ответ #2 : Октября 14, 2013, 05:49:26 pm »
Не, мультиплексор управляется с другого триггера.

ЗЫ а тестил я вообще припаивая управляющие ноги 4053 через 1кОм резистор к земле или питанию.
« Последнее редактирование: Октября 14, 2013, 06:04:14 pm от slayer »

new_man

  • Сообщений: 2053
  • GtLab.Net
    • Просмотр профиля
    • E-mail
Re: Помогите разобраться с ТТЛ загадкой
« Ответ #3 : Октября 14, 2013, 06:24:34 pm »
Триггеры ващета не любят, когда им по входу С тянут кота за хвост. Там фронт должен быть, а в схеме какая-то тянучка из RC цепочек.

Hyde

  • Сообщений: 578
  • GTLab - forever!
    • Просмотр профиля
    • E-mail
Re: Помогите разобраться с ТТЛ загадкой
« Ответ #4 : Октября 14, 2013, 06:34:58 pm »
Хз, без мультиплексора норм такая цепочка работает.   Но спасибо за идею, попробую сделать импульсом.

Samat

  • Гость
Re: Помогите разобраться с ТТЛ загадкой
« Ответ #5 : Октября 14, 2013, 09:46:56 pm »
561-я серия отечественной линейки - это КМОП логика. ТТЛ - 555ТМ2. Дребезг контактов с КМОП творит что попало. Там видно два резистора по 100К в нагрузке СD-шки. Нижний резистор, притянутый к земле, можно попробовать уменьшить до 10К.

Hyde

  • Сообщений: 578
  • GTLab - forever!
    • Просмотр профиля
    • E-mail
Re: Помогите разобраться с ТТЛ загадкой
« Ответ #6 : Октября 15, 2013, 07:09:47 am »
Да, точно, это же две КМОП микрухи, исправил тему. Ок, сейчас попробую 10к.

Denn

  • Global Moderator
  • *****
  • Сообщений: 14277
  • είμαι ο μουσικός και ο ραδιομηχανίκός
    • ICQ клиент - 322153053
    • Просмотр профиля
    • E-mail
Re: Помогите разобраться с ТТЛ загадкой
« Ответ #7 : Октября 15, 2013, 07:17:06 am »
По даташиту: CD4053 - аналоговый мультиплексор. Думаю, нужно как следует вникнуть в его работу.
Не говорите что мне делать, и я не скажу куда Вам идти.

Лучшее решение из возможных - самое простое. И наоборот.

Прежде чем судить

Hyde

  • Сообщений: 578
  • GTLab - forever!
    • Просмотр профиля
    • E-mail
Re: Помогите разобраться с КМОП загадкой
« Ответ #8 : Октября 15, 2013, 08:23:03 am »
Я тоже так думал, но вникнуть не смог.

Denn

  • Global Moderator
  • *****
  • Сообщений: 14277
  • είμαι ο μουσικός και ο ραδιομηχανίκός
    • ICQ клиент - 322153053
    • Просмотр профиля
    • E-mail
Re: Помогите разобраться с КМОП загадкой
« Ответ #9 : Октября 15, 2013, 08:38:50 am »
@ Hyde

А заюзай не мультиплексор, а сдвоенный шинный формирователь: 74HC241 (74AC241). Через один пропускаешь сигналы прямо, а через другой - накрест; входы управления просто объединяешь, т.к. они у половинок активизируются противоположными уровнями.
Не говорите что мне делать, и я не скажу куда Вам идти.

Лучшее решение из возможных - самое простое. И наоборот.

Прежде чем судить

Hyde

  • Сообщений: 578
  • GTLab - forever!
    • Просмотр профиля
    • E-mail
Re: Помогите разобраться с КМОП загадкой
« Ответ #10 : Октября 15, 2013, 08:51:48 am »
Denn, спасибо. А эта штука нормально переживает соединение её выходов/входов между собой?

Denn

  • Global Moderator
  • *****
  • Сообщений: 14277
  • είμαι ο μουσικός και ο ραδιομηχανίκός
    • ICQ клиент - 322153053
    • Просмотр профиля
    • E-mail
Re: Помогите разобраться с КМОП загадкой
« Ответ #11 : Октября 15, 2013, 09:02:47 am »
Цитировать
Denn, спасибо. А эта штука нормально переживает соединение её выходов/входов между собой?

Главное - не соединять вход с выходом :)

Для сабжевой задачи объединяем например входы 2+11 и 4+13, а выходы объединяем так: 18+7, 16+9; также объединяем сигналы выборки 1+19, подача на которые лог. "0" обеспечивает прохождение сигналов: 2 [ch8594] 18, 4 [ch8594] 16, а подача лог. "1" - наоборот: 2 [ch8594] 16, 4 [ch8594] 18.
Замыкания выходов не произойдёт, т.к. половинки активизируются противоположными лог. уровнями (когда одна группа выходов выбрана, то вторая в Z-состоянии, и наоборот).

П.С. Обратить внимание на питание ИМС - не более 6в! И не забыть кинуть на общий или на питание неиспользуемые оставшиеся входы.
« Последнее редактирование: Октября 15, 2013, 09:07:41 am от Denn »
Не говорите что мне делать, и я не скажу куда Вам идти.

Лучшее решение из возможных - самое простое. И наоборот.

Прежде чем судить

Uncle_Cherry

  • Сообщений: 5237
  • GTLab - forever
    • Просмотр профиля
    • E-mail
Re: Помогите разобраться с КМОП загадкой
« Ответ #12 : Октября 15, 2013, 10:36:46 am »
Предлагаю другой вариант решения проблемы.
Раз уж одноконтактные кнопки без фиксации, то без классического интегрирования на входах счетных триггеров не обойтись.

Поэтому: - не лучше ли кнопки пустить прямо на триггера, а нужное (цифровое) мультиплексирование осуществить после них?
Время подобно змее, укусившей свой хвост

Hyde

  • Сообщений: 578
  • GTLab - forever!
    • Просмотр профиля
    • E-mail
Re: Помогите разобраться с КМОП загадкой
« Ответ #13 : Октября 15, 2013, 10:44:15 am »
Заработала хреновина! Даже с 4053. И так, как для кого-то это может пригодится, для этого понадобилось:
 - 3 дня моих головоломок (но судя по всему не это было решающим фактором);
 - разнесение ног А и В 4053 на разные выходы управляющего триггера, Q и неQ, и соответственно подключение S1 на ax-bx, S2 на ay-by.

Я до конца не могу понять почему, но это работает.

Всем спасибо за помощь и советы.

ЗЫ Uncle_Cherry я как-то до этого не додумался, наверное так было бы и вправду лучше.
« Последнее редактирование: Октября 15, 2013, 10:45:41 am от slayer »

KMG

  • Сообщений: 3776
    • ICQ клиент - 412221711
    • AOL клиент - Mike
    • Просмотр профиля
    • E-mail
Re: Помогите разобраться с КМОП загадкой
« Ответ #14 : Октября 15, 2013, 10:45:45 am »
Цитировать
Поэтому: - не лучше ли кнопки пустить прямо на триггера, а нужное (цифровое) мультиплексирование осуществить после них?
Полностью согласен.

new_man

  • Сообщений: 2053
  • GtLab.Net
    • Просмотр профиля
    • E-mail
Re: Помогите разобраться с КМОП загадкой
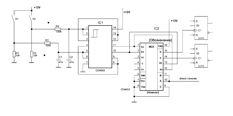
« Ответ #15 : Октября 15, 2013, 11:13:44 am »
Работать-то оно может и работает, но все равно неправильно все.
Во-первых, не приняты меры против дребезга контактов.
Во-вторых, (имхо) - неправильно скоммутированы ноги мультиплексора.
В третьих - на схеме не показано, но я почему-то уверен, что "лишние" ноги мультиплексора болтаются в воздухе. А кое-что должно быть обязательно заземлено.
Ну про медленные эстонские фронты на входах триггеров я уже писал.

Если не подвергать ревизии исходную информацию, то схема может выглядеть примерно так:


Hyde

  • Сообщений: 578
  • GTLab - forever!
    • Просмотр профиля
    • E-mail
Re: Помогите разобраться с КМОП загадкой
« Ответ #16 : Октября 15, 2013, 12:54:58 pm »
new_man, триггер шмидта, точно. Ноги лишние на земле. За схему спасибо.

OlegFX

  • Сообщений: 5097
    • Просмотр профиля
Re: Помогите разобраться с КМОП загадкой
« Ответ #17 : Октября 15, 2013, 01:56:35 pm »
На пост #15.
Включение кнопки лучше переделать вот так (пост #26): http://forum.gtlab.net/cgi-bin/yabb2/YaBB.pl?num=1293196951/26

Для корректного запуска КМОП-триггера требуются
а) короткий положительный перепад (R2C1) - по принципу работы;
б) плавный спад напряжения после размыкания кнопки (R1C1) - для защиты от дребезга.
« Последнее редактирование: Октября 15, 2013, 10:08:51 pm от olegfx »

KMG

  • Сообщений: 3776
    • ICQ клиент - 412221711
    • AOL клиент - Mike
    • Просмотр профиля
    • E-mail
Re: Помогите разобраться с КМОП загадкой
« Ответ #18 : Октября 15, 2013, 02:59:51 pm »
OlegFX, любой счетный триггер негативно относится к большим Clock Rise/Fall Times, так как даже на спадающем фронте за счет флуктуаций может возникнуть ложное срабатывание.
Тиггер шмитта полностью решает проблему, во первых за счет гистерезиса подавляет флуктуации на пологом фронте, а на выходе формирует сигнал с крутыми фронтами.


OlegFX

  • Сообщений: 5097
    • Просмотр профиля
Re: Помогите разобраться с КМОП загадкой
« Ответ #19 : Октября 15, 2013, 03:36:07 pm »
KMG, да, но ценой одного дополнительного корпуса. Схема с замыкающей кнопкой (по моей ссылке, верхний рис.) применяется в миллионах примочек, работает хорошо до сильного загрязнения/износа кнопки. Я, вообще-то, за схему с переключающей кнопкой (нижний рис.) - такая схема вообще безглючная с кнопками любого качества.
« Последнее редактирование: Октября 15, 2013, 04:11:47 pm от olegfx »