@ DennУсилители для АС и для наушников бывают как минимум ламповыми и каменными

Но давайте будем считать что это моя прихоть
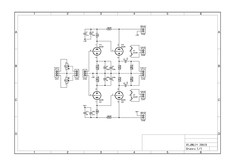
Поскольку предложений по преду не поступило, останавливаюсь на 6Н23П. Ниже прилагаю схемы собственно предусилителя и блока питания.


Немного комментариев.
Схема преда простейшая. Но компоненты должны быть как можно более качественными. "Большие" электролиты - Cornell Dubilier, электролиты в цепи катода - Elna Silmic II, шунты - К73-16 и Wima. Резисторы думаю закажу Kiwame или ПТМН. Потенциометр - Alps RK27, скорее всего с мотором...
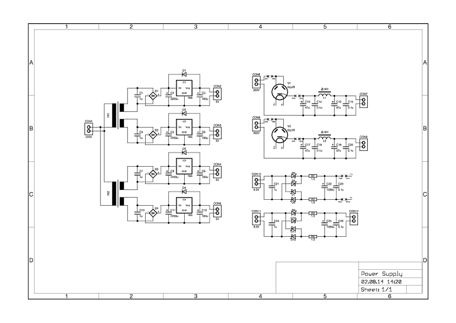
Схема БП тоже простая. Con2, Con3 будут работать на реле входов и выходов соответственно. Con4 на плату контроллера и возможно дисплея. Con5 просто про запас или для того же мотора. С деталями тут чуть проще, высоких требовний нет: Hitano, 7805, обычные диодные мосты.
С ламповой частью все чуть сложнее. У меня есть силовик с 2-мя обмотками по 200В/0,025А и 2-мя обмотками по 6,3В/0,7А. Ток у 6Н23П достаточно высокий, причем рекомендуется по току из нее выжимать максимум, мол звучит лучше

Поэтому одной обмотки будет мало, а двух объединенных (400 вольт) - много. Поэтому полноценно использую две вторички с кенотронами 6Ц4П. Дроссели Д14Н, электролиты пока ХЗ какие (посоветуйте кстати), шунты - Wima.
Накалы 6Н23П и 6Ц4П выпрямлены на диодах шоттки, электролиты опять же Elna Silmic II. Стабилизировать не стал, так как не могу найти стабилизатор с низким dropout voltage (простите, русского эквивалента не знаю). Как правило он не ниже 2 вольт.
Если есть замечания/предложения по схеме - милости прошу
