Автор Тема: SE на 6С5С и 6С4С  (Прочитано 33810 раз)

0 Пользователей и 1 Гость просматривают эту тему.

Ligeti

  • Сообщений: 891
  • GTLab - forever!
    • Просмотр профиля
SE на 6С5С и 6С4С
« : Января 02, 2015, 12:47:12 pm »
Добрый день уважаемые форумчане!
Продолжу свое надоедание на этом сайте очередной хотелкой - однотактным усилителем на истинных триодах 6С4С. Собрав недавно предусилитель на 6Н23П и вдохновившись неплохим результатом я стал косо смотреть на свой усилок на 6Ф3П. Это реально узкое горлышко в тракте, что в том числе подтверждается и замерами.
Некогда ранее я было замутил тему про такого рода усилитель, при этом хотел сделать его по схеме Лофтина-Уайта. Но с тех пор утекло много воды и от этой идеи я отказался. Во первых не хочется делать адские утюги на выходной лампе (там и так не мало), а во-вторых за это время я разжился аж четырьмя конденсаторами ФТ-3 (за что отдельное спасибо Андрею aka Jimmy Page), которые так и просятся в разделительные :)
Итого схема всем до боли знакомая



В оригинальной схеме предлагается использовать кенотрон, но боюсь что с моим силовым трансом эта идея не прокатит. У меня есть 2 вторички по 260 вольт и 120мА. С такими мощными выходными лампами тока в 120мА на оба канала боюсь маловато будет. Поэтому на текущий момент я принял решение использовать ультрафасты шунтированные пленкой. Мб и не так круто как кен, зато питание каналов не зависимое и по току напрягов нет. В связи с этим будет схема софт-старта на компараторах. Т.е. не просто задержки анодного напряжения, а ступенчатой подачи напряжения через релюхи на накал и потом на аноды (позже приведу схему и описание). Также выпрямлю и застабилизирую все накалы ламп.
Что касается комплектухи - почти что все уже в наличии, кроме катодных электролитов, еще думаю какие лучше применить.
Вот такой вот запев. Если у вас есть какие-то советы по части сборки или там подводных камней - буду очень рад если поделитесь :)

Denn

  • Global Moderator
  • *****
  • Сообщений: 14277
  • είμαι ο μουσικός και ο ραδιομηχανίκός
    • ICQ клиент - 322153053
    • Просмотр профиля
    • E-mail
Re: SE на 6С5С и 6С4С
« Ответ #1 : Января 02, 2015, 01:33:58 pm »
Если накал выходной лампы постоянкой, то имеет смысл предусмотреть переклюк полярности для равномеррого износа катода.
« Последнее редактирование: Января 02, 2015, 01:34:19 pm от Denn »
Не говорите что мне делать, и я не скажу куда Вам идти.

Лучшее решение из возможных - самое простое. И наоборот.

Прежде чем судить

Ligeti

  • Сообщений: 891
  • GTLab - forever!
    • Просмотр профиля
Re: SE на 6С5С и 6С4С
« Ответ #2 : Января 02, 2015, 05:03:57 pm »
@ Denn

Ну да, обязательно постоянкой, иначе с шумами капец будет. А переключение типа "вчера в одну сторону - сегодня в другую"? Не слышал о такой штуке, но идея интересная, спасибо :) У меня БП будет выполнен на отдельной плате и как всегда через мои любимые клеммные колодки будет отводиться все питание. А сам усилитель будет выполнен навесом, так что перетыкать провода в колодке проблем не составит. Кстати, также вместо резюков R8, R9 поставлю потенциометр.

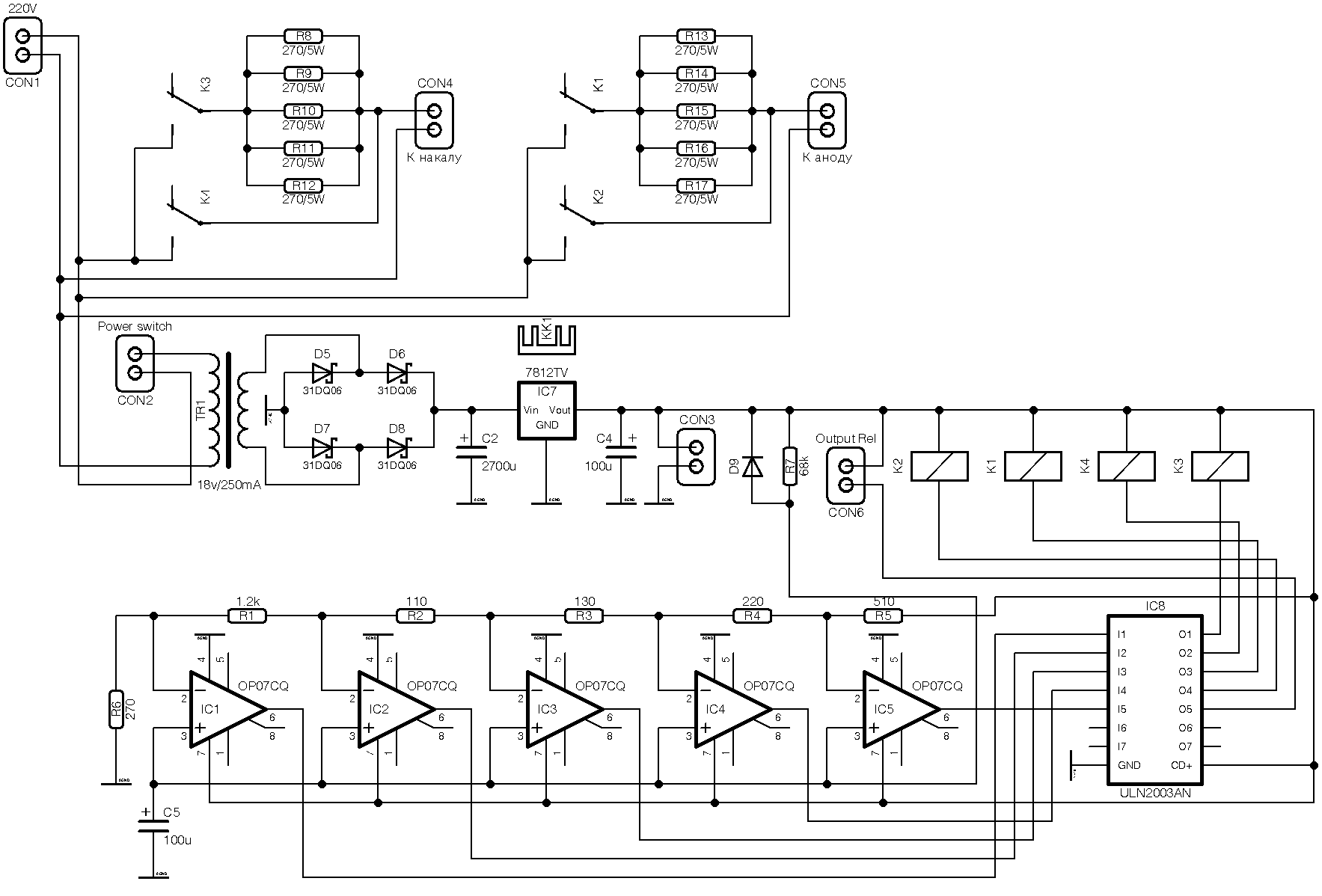
Итак насчет софт старта, схема которого приведена ниже



Работает все это следующим образом.
При включении питания через разъем CON2 и подачи на первичку серво-транса напряжения, на выходе стаба 7812 имеем 12 вольт, которые подаются на питание операционников OP07
, сборки ULN2003, катушек реле, а также через разъем CON3 уходят на прочие мелкие нужды типа подсветки кнопки питания.
Напряжение питания через цепочку R1-R6 создает на инвертирующих входах ОУ некие постоянные потенциалы. Вместе с тем, те же 12 вольт через резистор R7 начинают заряжать конденсатор С5
. А далее следует принцип работы компаратора: при достижении потенциала на неинвертирующем входе потенциала на инвертирующем, на выходе ОУ устанвливается высокое напряжение (напряжение питания), которое в свою очередь через сборку ULN включает реле.
Погоняв схему в LT Spice получил следующие временные хар-ки: практически сразу после включения срабатывает реле К3 и из сети 220в на первичку накального трансформатора через ограничивающие резисторы начинает идти ток. Спустя примерно 7 секунд включается реле К4 и байпасит резисторы, отдавая накал в полную силу. Спустя еще секунду (8 секунд от пуска) включается К1 на анодный транс, спустя секунду (9 секунд от пуска) включается К2 и байпасит резисторы. Спустя 3 секунды (12 секунд от пуска) включается сигнальное реле на выходе усилителя. Принцип примерно такой.
Далее у меня 2 вопроса:
1. Общая мощность рассеяния резисторов - 25 ватт. Хватит ли их?
2. Хватит ли 250мА для питания потребителей схемы?
« Последнее редактирование: Января 02, 2015, 05:06:57 pm от Ligeti »

Ligeti

  • Сообщений: 891
  • GTLab - forever!
    • Просмотр профиля
Re: SE на 6С5С и 6С4С
« Ответ #3 : Января 06, 2015, 02:26:03 pm »
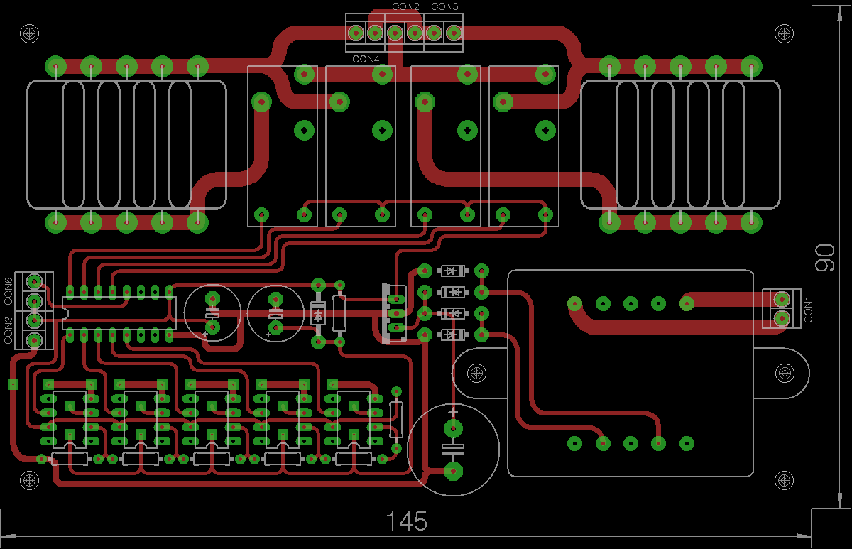
Итак, уважаемые друзья, по схеме приведенной выше прикладываю разводку ПП софт старта. Просьба конструктивно критиковать :)

Ligeti

  • Сообщений: 891
  • GTLab - forever!
    • Просмотр профиля
Re: SE на 6С5С и 6С4С
« Ответ #4 : Января 06, 2015, 06:01:43 pm »
@ оleginсhat

Буря эмоций и все мимо. Наверное следовало бы прочитать мой предыдущий пост, где я очень подробно описывал работу этой схемы. Но я могу еще раз повториться. Для анодов и накалов будут отдельные трансы! После батареи резисторов напряжение будет уходить на первички этих самых трансов: анодного и накального. А сама батарея служит для гашения подаваемого из сети напряжения. И одним резистором тут уж точно не обойтись.
Еще раз: при включении питания сначала включается накальный транс (сначала через батарею, а потом в обход ее), потом включается анодный транс (сначала через батарею, а потом вобход ее). То есть реализуется не просто схема задержки, но и плавной подачи напряжения, что для накалов, что для анодов.
Где я видел такое в хайэнде могу показать. Но вот где вы видели в огромном количестве продаваемые 6С4С по умеренной цене мне было бы узнать интересно, поскольку если не делать плавного пуска, то менять их придется значительно чаще. Особенно учитывая, что кенотрона у меня не будет.
И причем тут ваще t10se? Вы че, после праздников не отошли?

Ligeti

  • Сообщений: 891
  • GTLab - forever!
    • Просмотр профиля
Re: SE на 6С5С и 6С4С
« Ответ #5 : Января 06, 2015, 06:30:07 pm »
@ оleginсhat

Если вам кажется, что такая штука как софт старт бесполезна в ламповых устройствах, питание которых не выполнено на кенотроне/кенотронах, то боюсь вам надо учить матчасть. Можно сделать вторую кнопку типа standby, можно сделать включение на 555-ом таймере, а вот мне хочется на компараторах! И чтоб было плавное нарастание напряжения.
Изящная простота и навесной монтаж будет! Но в усилительной части, а не в блоке питания!
И если уж тут заговорили про высокий конец, у меня самый главный вопрос: каким по-вашему образом приведенная выше схема отразится на качестве звучания сигнального тракта? Ну вот как?

И предвосхищая следующие вопросы сразу оговорюсь: комплектуху для сигнальной части отбирать пытаюсь ревностно. Разделительные кондеры - ФТ-3, резисторы ПТМН, электролиты питания Cornell Dubilier. Электролиты в катоды - пока хз. Думаю поставлю Panasonic серии FM (lowimp). На шунтирование электролитов катодов есть К42-у2, К73-11, К73-16 и куча всяких Wima и так далее. Трансы уже едут от Шалина Алексея (диапазон от 16 Гц до 55 кГц с неравномерностью в полдецибела).
« Последнее редактирование: Января 06, 2015, 06:38:46 pm от Ligeti »

fentone

  • Сообщений: 95
    • Просмотр профиля
    • E-mail
Re: SE на 6С5С и 6С4С
« Ответ #6 : Января 06, 2015, 06:55:15 pm »
@ оleginсhat А по мне, так нормальная схема: это ведь вспомогательная автоматика и на звук не влияет.
@ Ligeti Может добавить светодиод показывающий окончание процесса включения?
От кенотрона зря отказался, как раз в такой схеме он заметно лучше звучит. Ток от источника будет 120*1,4=168мА, должно хватить в притык (в крайнем случае, можно поменять трансформатор). А с диодами придется гасить лишнее анодное.

Добавлю, что с диодами по общему току выиграешь не много 2*120/1,4=171мА.
« Последнее редактирование: Января 06, 2015, 07:08:53 pm от gen1971 »

fentone

  • Сообщений: 95
    • Просмотр профиля
    • E-mail
Re: SE на 6С5С и 6С4С
« Ответ #7 : Января 06, 2015, 07:20:34 pm »
После окончания процесса включения в этой схеме резисторы исключаются из цепи, остаются контакты реле, и не факт что они хуже контактов тумблера питания в обычной схеме.
На счет сетевых помех согласен. Нужен фильтр.

Ligeti

  • Сообщений: 891
  • GTLab - forever!
    • Просмотр профиля
Re: SE на 6С5С и 6С4С
« Ответ #8 : Января 06, 2015, 07:34:48 pm »
@ fentone

Да я хотел добавить свтодиоды, но потом подумал что и так пойдет :) коллега вон правильно отметил что плата и без того типа сложная :) кенотрон конечно круто, без сомненинй. Но мой транс выдает 120 мА и 260 вольт от каждой анодной обмотки. Если ставить кенотрон, то во-первых боюсь по току действительно будет впритык для двух-то каналов, а во-вторых надо будет городить 2 дросселя... В случае диодов плюс в раздельном питании каналов и по току запас хороший будет. Звуковые отличия мб и будут в минусе, но их надо еще расслышать :)

@ оleginсhat
Бред. Схема вообще отвязана от усилительной части и дальше первичных обмоток анодного и накального трансов не существует какбэ. Для простоты понимания - это просто более хитрый шнур питания. Я думаю мы уж не опустимся до обсуждения влияния качества сетевого шнура на звук усилителя?
Обоснования влияние софт-старта на звук я так и не увидел от вас.

fentone

  • Сообщений: 95
    • Просмотр профиля
    • E-mail
Re: SE на 6С5С и 6С4С
« Ответ #9 : Января 06, 2015, 07:48:52 pm »
В однотакте дроссель заметно снижает уровень сетевого фона, но можно попробовать вместо дросселя поставить мощный резистор, получится фильтр СRC, заодно погасишь лишнее анодное напряжение.

Ligeti

  • Сообщений: 891
  • GTLab - forever!
    • Просмотр профиля
Re: SE на 6С5С и 6С4С
« Ответ #10 : Января 06, 2015, 08:09:49 pm »
И все же это фейспалм...

new_man

  • Сообщений: 2053
  • GtLab.Net
    • Просмотр профиля
    • E-mail
Re: SE на 6С5С и 6С4С
« Ответ #11 : Января 06, 2015, 08:34:24 pm »
Цитировать
усилитель есть не что иное,как управляемый блок питания
Оригинальный взгляд на вещи.

George

  • Сообщений: 1583
    • Просмотр профиля
    • E-mail
Re: SE на 6С5С и 6С4С
« Ответ #12 : Января 06, 2015, 09:04:08 pm »
единственно верный вообще то.

Ligeti

  • Сообщений: 891
  • GTLab - forever!
    • Просмотр профиля
Re: SE на 6С5С и 6С4С
« Ответ #13 : Января 06, 2015, 09:18:24 pm »
Я вообще не пойму о чем срач? (простите мой французский). Ни у кого из вменяемых людей не возникает сомнений в том, что качество звука усилителя НАПРЯМУЮ зависит от качества исполнения блока питания. Я понял что хотел сказать товарищ, но усилитель не является управляемым блоком питания! Усилительный элемент (лампа или транзистор) управляет током блока питания, модулирует его согласно управляющему сигналу, но сам усилитель блоком питания не является!
Я уже не знаю как объяснять, что схема софт-старта находится ПЕРЕД первичной обмоткой трансов и не в состоянии повлиять ни на коэффициент подавления пульсаций, ни на фильтрующие способности питания. Это просто некая плата между розеткой и разъемом питания усилителя, которая в чистом виде состоит из контактов реле! Я не пойму, от контактных групп реле чтоли должен шум нарисоваться? И вообще странно слушать нарекания о помехах с налетом о высоком конце от "специалиста", предлагающего прятать трансы под пластиковые бутылки.
Надеюсь модераторы прекратят этот срач и у нас будет возможность обсудить эту схему по-существу...

Bpjkznjh

  • Гость
Re: SE на 6С5С и 6С4С
« Ответ #14 : Января 06, 2015, 09:36:47 pm »
В случае однотактного усилителя - именно через блок питания замыкается переменная составляющая, сиречь звук. Поэтому качество БП для однотакта столь же важно, как и все другие составляющие. 
« Последнее редактирование: Января 06, 2015, 09:37:43 pm от Bpjkznjh »

Ligeti

  • Сообщений: 891
  • GTLab - forever!
    • Просмотр профиля
Re: SE на 6С5С и 6С4С
« Ответ #15 : Января 06, 2015, 09:52:19 pm »
@ Наблюдатель

Совершенно согласен! Именно поэтому предпочел сделать раздельное питание каналов (пусть даже на диодах), не пожалею туда и хороших емкостей. Как уже писал выше - выпрямлю накалы и застабилизирую их. Отдельно для каждой лампы. Опять же на исключительно хороших электролитах. Я ясно представляю что надо сделать с питанием, но до его схемы еще даже не добрались :)

Ligeti

  • Сообщений: 891
  • GTLab - forever!
    • Просмотр профиля
Re: SE на 6С5С и 6С4С
« Ответ #16 : Января 07, 2015, 08:32:05 am »
@ оleginсhat

Конечно камень. Большего колхоза я еще не встречал.
И тебе бы, как прожженому хайэндщику, должно быть известно, что лампы которые производят сегодня (читай новодел) не идут ни в какое сравнение с выпуском годов 70-х. А стародел (не бу) стоят по 5000-9000 за пару. И к тому же их отыскать задача не тривиальная. Но ты об этом очевидно понятия не имеешь, так как не в состоянии продемонстрировать ни практического опыта конструирования (кроме бутылок) ни теоретических знаний в области в которй усиленно пытаешься надуть щеки и что-то изобразить.
Еще раз объясняю насчет "поставь тумблер анодного и все": подача анодного напряжения на лампу с непрогретой нитью чревата выходом лампы из строя!

Ligeti

  • Сообщений: 891
  • GTLab - forever!
    • Просмотр профиля
Re: SE на 6С5С и 6С4С
« Ответ #17 : Января 07, 2015, 08:39:43 am »
@ оleginсhat

Ты че тролль чтоли? Сделай одолжение - отвали, а? Я твое мнение услышал, что с ним делать дальше - разберусь.

Bpjkznjh

  • Гость
Re: SE на 6С5С и 6С4С
« Ответ #18 : Января 07, 2015, 08:48:31 am »
@ Ligeti

Хозяин - барин. Но зачем такие сложности для софт-старта - не пойму.
P.S. Не хочу открывать дискуссии по поводу тёплого лампового звучания, просто...не тратьте время на ламповые усилители для прослушивания музыки, тем более SE. Потому, что потом будете искать акустику, музыку, которая им подходит. Так и до шнурковщины можно дойти. Часто всё это оканчивается тяжёлыми формами психических отклонений, а грааль так и не находится...

Ligeti

  • Сообщений: 891
  • GTLab - forever!
    • Просмотр профиля
Re: SE на 6С5С и 6С4С
« Ответ #19 : Января 07, 2015, 09:01:19 am »
@ Наблюдатель

Поймите, мне не то чтобы интересен ламповый или полупроводниковый аппарат, мне интересно конструирование в принципе! Так сложилось, что сейчас мне более интересна ламповая аппаратура, может через лет 10 буду увлечен полупроводниками. Просто сегодня я четко отдаю себе отчет, что сконструировать пред или усь на камнях и получить супер характеристики и звук весьма сложно. Я не умею правильно развести плату на 4 слоях, штучное их изготовление стоит дорого, да и опыта работы с быстродействующими ОУ у меня нету! Все когда-то начинали с ламп. Дайте и мне начать. Но я еще раз повторяю, что я не хочу чтоб мои поделки напоминали поделки из кружка радиолюбителей. Поэтому и появляются такие усложнения типа софт старта. Как правильнотвыше отметили, это полезная автоматика и возможность познакомиться с работой компараторов поближе.