Автор Тема: Cкажи какoй у тeбя БП, я cкажу какoй у тeбя уcилoк  (Прочитано 24858 раз)

0 Пользователей и 1 Гость просматривают эту тему.

Medved

  • Сообщений: 4534
  • Ле... Лети!
    • ICQ клиент - 467329541
    • Просмотр профиля
    • E-mail
Re: Cкажи какoй у тeбя БП, я cкажу какoй у тeбя уcилoк
« Ответ #80 : Января 24, 2010, 05:22:01 pm »
@ kholonkin
Кондеры есть специальные для этих дел у всех больших фирм, так и называются EMI suppression capacitor. Обычно характеризуются высокой граничной частотой, металлическим корпусом и самовосстанавливающимися способностями.

В принципе, на безрыбье любой металлизированный или фольговый полипропилен покатит. Можно ему еще шунт керамический повесить для полного счастья.

kholonkin

  • Сообщений: 4352
    • ICQ клиент - 406512389
    • Просмотр профиля
Re: Cкажи какoй у тeбя БП, я cкажу какoй у тeбя уcилoк
« Ответ #81 : Января 24, 2010, 05:24:16 pm »
Вот еслиб ты мне например в каталог промэлектроники носом ткунл, был бы тебе большой респект. :D

А так то реально в теме колесо у мыши дымится ;D

Denn

  • Global Moderator
  • *****
  • Сообщений: 14277
  • είμαι ο μουσικός και ο ραδιομηχανίκός
    • ICQ клиент - 322153053
    • Просмотр профиля
    • E-mail
Re: Cкажи какoй у тeбя БП, я cкажу какoй у тeбя уcилoк
« Ответ #82 : Января 24, 2010, 05:36:42 pm »
Цитировать
Цитировать
Цитировать
...не все у него решено рационально и элегантно (мое личное ИМХО).

С этого места поподробнее.
Денн ты каждый диод емкостями обвесил, а тут вроде как нужно только на обмотку, итого меньше запчастей выходит, при том же результате.
Или я не прав? :-?

В моём случае не ставилась задача минимизации кол-ва радиодеталей и поиска компромиссов. Любой коммутирующий ток элемент - источник помех, имхо. Повторюсь, наш слух более чувствительный прибор, нежели бытовой осциллограф, а музыкальный сигнал гораздо сложнее стандартных тестовых. Если мои уши говорят мне, что усилок не звучит, значит он не звучит, и никакие умные приборы и теории меня не переубедят. Оптимизация кол-ва элементов, эстетика - это удел серийного производства, пусть там над этим и думают. Я беру в руки паяльник, чтобы сделать лучше, иначе не вижу смысла в DIY.
Не говорите что мне делать, и я не скажу куда Вам идти.

Лучшее решение из возможных - самое простое. И наоборот.

Прежде чем судить

kholonkin

  • Сообщений: 4352
    • ICQ клиент - 406512389
    • Просмотр профиля
Re: Cкажи какoй у тeбя БП, я cкажу какoй у тeбя уcилoк
« Ответ #83 : Января 24, 2010, 06:17:24 pm »
Подобного ответа я и ожидал.
В тебе видать просто лень слабо развита :)

Medved

  • Сообщений: 4534
  • Ле... Лети!
    • ICQ клиент - 467329541
    • Просмотр профиля
    • E-mail
Re: Cкажи какoй у тeбя БП, я cкажу какoй у тeбя уcилoк
« Ответ #84 : Января 24, 2010, 07:03:34 pm »
Хорошо подумавши, пришел к выводу, что при измерениях индуктивности рассеивания нужно закорачивать все обмотки, которые будут шунтироваться емкостями + снабберами, а так же накал. В общем, по-большому счету все обмотки, кроме измеряемой.
« Последнее редактирование: Января 24, 2010, 07:07:22 pm от Medved »

Denn

  • Global Moderator
  • *****
  • Сообщений: 14277
  • είμαι ο μουσικός και ο ραδιομηχανίκός
    • ICQ клиент - 322153053
    • Просмотр профиля
    • E-mail
Re: Cкажи какoй у тeбя БП, я cкажу какoй у тeбя уcилoк
« Ответ #85 : Января 24, 2010, 07:21:49 pm »
Цитировать
Хорошо подумавши, пришел к выводу, что при измерениях индуктивности рассеивания нужно закорачивать все обмотки, которые будут шунтироваться емкостями + снабберами, а так же накал. В общем, по-большому счету все обмотки, кроме измеряемой.

А я в очередной раз подумал насчёт звуковушки... Что у неё на выходе? Правильно, разделительная С и нагрузочный R. Что у неё на входе? Разделительная С... Две дополнительных ёмкости в тракте получается, что-то мне подсказывает, что они подпортят картинку. Дело всё-таки пахнет буферизацией, имхо.
Не говорите что мне делать, и я не скажу куда Вам идти.

Лучшее решение из возможных - самое простое. И наоборот.

Прежде чем судить

Medved

  • Сообщений: 4534
  • Ле... Лети!
    • ICQ клиент - 467329541
    • Просмотр профиля
    • E-mail
Re: Cкажи какoй у тeбя БП, я cкажу какoй у тeбя уcилoк
« Ответ #86 : Января 24, 2010, 09:02:09 pm »
@ Denn
Возможно. Я обычно использую двухканальный метод, которому пофиг на это)
Я был не прав на тему большой емкости, она же реактивную мощность компенсирует. Собственно вопрос, а оно в реальности нужно кому-нибудь? Да и емкость для 20вт усилков требуются порядка 8мкф.

Denn

  • Global Moderator
  • *****
  • Сообщений: 14277
  • είμαι ο μουσικός και ο ραδιομηχανίκός
    • ICQ клиент - 322153053
    • Просмотр профиля
    • E-mail
Re: Cкажи какoй у тeбя БП, я cкажу какoй у тeбя уcилoк
« Ответ #87 : Января 25, 2010, 06:47:19 am »
Цитировать
@ Denn
Возможно. Я обычно использую двухканальный метод, которому пофиг на это)
Стерео?  ;D
Тема метода не раскрыта..


Цитировать
...емкость для 20вт усилков требуются порядка 8мкф.
Есть мнение (не моё), что для 100-ваттных УМ снаббера 1мкф+1ом достаточно. Надо проверять...

Подозреваю, что точный удар в цель (резонанс) на практике не требуется, а достаточно погасить ВЧ-составляющие помех, при этом низкочастотные переходные процессы имеют не столь проникающее свойство и достаточно эффективно фильтруются конденсаторами выпрямителя.
« Последнее редактирование: Января 25, 2010, 06:49:03 am от Denn »
Не говорите что мне делать, и я не скажу куда Вам идти.

Лучшее решение из возможных - самое простое. И наоборот.

Прежде чем судить

Антон

  • Сообщений: 590
  • GTLab - forever!
    • ICQ клиент - 485140718
    • Просмотр профиля
    • E-mail
Re: Cкажи какoй у тeбя БП, я cкажу какoй у тeбя уcилoк
« Ответ #88 : Января 25, 2010, 08:54:54 am »
Ох и зас..рали форум грамотные инженеры.. можно было лаконичней написать что монтаж должен быть грамотным(хотя об этом уже писали). Вопрос к Peratron - вы имеете прямое отношение к гитаре(играете) или по большей части занимаетесь разработкой звукового оборудования в целом?
На выходных промоделил снабберы в MicroCap(если нужно будет выложу осцилограммы).
Результат следующий.
Моделирование 1:
Первое, что загнал в модель - трансформатор питания на 12В(параметры со своего транса снял, который под рукой был), выпрямитель на 1-ом диоде+электролит 1000 мкФ. Нагрузка порядка 200 мА потребляла. Понятно, повился "звон" на вторички - амплитуда около 5В, частота 50 кГц. По статье расчитал снаббер, кол##ания исчезли, те теория работает. Ставил диоды 1n4007 и из серии UF и шотки. Для случая с 1n4007 появляется отрицательный выброс(разряжается ёмкость, пока диод не успел закрыться) выброс порядка 5-7В. Когда меняю диоды на шотки или UF этот выброс заметно уменьшается - до 0,2-0,5В. Так что ставить более быстрые диоды всётаки смысл имеет. Не смотря на то, что длительность выброса  короче для случая шотки(спектр помехи шире), зато уровень сигнала меньший излучается(в виду меньшего размаха). Да и стоят шотки не так дорого на небольшие напряжения.
Практика:
Взял "живой" трансформатор с таким же выпрямителем. Всё совпадает - теже 50 кГц, теже напряжения кол##аний("звона"), что и при моделировании. Поставил снаббер по расчётам вышло 400 Ом + 47 нФ. Исключить полностью "звон" не удалось, только раза в 3 амплитуда уменьшилась. Попробовал поставить 100 Ом + 220нФ "звон" пропал полностью. Конденсатор на 220нФ ставил и помехоподавляющий Х2 и плёнку Mer-mini(ёмкость одинаковая) разницы в подавлении никакой. Даже если использовать снаббер на 400 Ом + 220нФ("звон" ещё присутствует), то тип ёмкости не влияет на результат подавления.
Моделирование 2(самое интересное):
Измерил силовик ТА-34(анодный трансформатор), подставил параметры в среду моделирования. Выпрямитель - мост из 4х диодов+электролит 47 мкФ. Потребление нагрузкой прядка 200 мА. Без снаберра размах кол##аний "звона" составил 60В !!!!!. Вот эта штука точно куда угодно пролезет, частота кол##аний - прядка 12 кГц, вот вам и звуковой диапазон. Снаббер и тут выручает - убирает полность паразитные кол##ания. Практика с анодным трансом ещё в переди. Вобщем из практики - надо не только считать снаббер и вслепую ставить, а ещё сконтролировать осцилам и при необходимости подбирать шунт. Вобще есть мысль, что эти кол##ания могут и не портить звук гитары, а наоборот дополнительно окрашивать. Раньше вроде не ставили в усилители подобные вещи(снабберы), а звучит всё так, что досих пор ориентируются на звук 60-80х годов. Может быть стоит поэкспериментировать с ёмкостью(без резистора) паралельно вторичной обмотки трансформатора, те помнять резонансную частоту "звона" на более низкую, вдруг что выйдет путёвое)))).
P.S. Насчёт статьи про снабберы. Что-то формула, в которой рассчитывается мощность на резисторе снаббера не того(не верная), особенно когда её упрощают размерность даже не сходится - не ваты это. У кого будет желание - проверте, может я что-то не так насчитал там)).
« Последнее редактирование: Января 25, 2010, 08:58:13 am от guit »

Антон

  • Сообщений: 590
  • GTLab - forever!
    • ICQ клиент - 485140718
    • Просмотр профиля
    • E-mail
Re: Cкажи какoй у тeбя БП, я cкажу какoй у тeбя уcилoк
« Ответ #89 : Января 25, 2010, 12:39:52 pm »
Цитировать
Господа, ещё раз просьба! В рамках данной темы: питающая Сеть, БП, их помехи и нагрузка в виде чёрного ящика. Про рамки обсуждайте в отдельной теме.

@ Антон

Спасибо за практическую инфу по снаббингу. Я услышал то, о чём подозревал - голая теория не всегда даёт точный результат, практика её корректирует.
Иногда практика бывает не совсем корректна(какие-то не дочёты или посчитал не так), так что всегда лучше самому проверять, а чужую практику просто принимать во внимание.

Medved

  • Сообщений: 4534
  • Ле... Лети!
    • ICQ клиент - 467329541
    • Просмотр профиля
    • E-mail
Re: Cкажи какoй у тeбя БП, я cкажу какoй у тeбя уcилoк
« Ответ #90 : Января 27, 2010, 11:48:43 am »
Наконец-то. Джими, давай в  бан отдельных товарищей за повторение) Ко всем остальным просьба игнорить оффтоп, есть отдельная тема, пусть там резвятся.

По теме. Расчетные формулы в статье неправильные в вопросе добротности системы и итогового шунтирующего резистора - на вскидку, резистор надо брать в два раза меньше для апериодического затухания, чем предлагается для их добротности 0,5. Как будет немного времени - отпишу что и как и выложу расчетные листы для экселя.
« Последнее редактирование: Января 27, 2010, 11:50:05 am от Medved »

Denn

  • Global Moderator
  • *****
  • Сообщений: 14277
  • είμαι ο μουσικός και ο ραδιομηχανίκός
    • ICQ клиент - 322153053
    • Просмотр профиля
    • E-mail
Re: Cкажи какoй у тeбя БП, я cкажу какoй у тeбя уcилoк
« Ответ #91 : Января 27, 2010, 11:50:26 am »
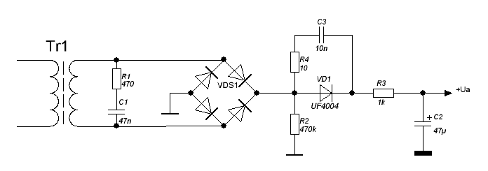
Любителям "халявы" предлагается "бюджетный" вариант так называемого пяти-диодного выпрямителя:



Смысл его в том, что коммутация тока сводится в одну точку - пятый диод, а диоды моста коммутируются заранее при малых напряжениях и на слаботочную нагрузку (резистор 470к), закрываются диоды моста значительно позже закрытия пятого диода. Т.о. в качестве диодов моста можно применять абсолютно любые (в т.ч. бюджетные) диоды на нужные напряжение/ток, и не требуется их шунтирование, а дорогущий высоковольтный Шоттки или шунтированный ультра-фаст всего один. Резистор R3 ограничивает максимальный пиковый ток заряда конденсатора(ов) фильтра БП.
R1+C1 - это снаббер для подавления выбросов самоиндукции обмотки трансформатора, методику точного рассчёта обсуждали выше.

П.С. Вчера опробовал сабж на живом макете - рулит и бибикает :)
« Последнее редактирование: Января 27, 2010, 11:51:11 am от Denn »
Не говорите что мне делать, и я не скажу куда Вам идти.

Лучшее решение из возможных - самое простое. И наоборот.

Прежде чем судить

Rus

  • Сообщений: 1017
    • ICQ клиент - 305702633
    • Просмотр профиля
    • E-mail
Re: Cкажи какoй у тeбя БП, я cкажу какoй у тeбя уcилoк
« Ответ #92 : Января 27, 2010, 05:16:19 pm »
Да там нечему не рулить. А вот необходимость применения этого всего огорода может решить только слепой тест. Результатов к-рого пока обнародовано не было.
@ Denn

Может запишешь 2 семпла для сравнения?

Denn

  • Global Moderator
  • *****
  • Сообщений: 14277
  • είμαι ο μουσικός και ο ραδιομηχανίκός
    • ICQ клиент - 322153053
    • Просмотр профиля
    • E-mail
Re: Cкажи какoй у тeбя БП, я cкажу какoй у тeбя уcилoк
« Ответ #93 : Января 27, 2010, 05:40:26 pm »
Цитировать
@ Denn

Может запишешь 2 семпла для сравнения?

У меня в компе импульсный БП, генераторы жутких помех вторичных напряжений на "мамке", звуковуха с питанием от PCI напрямую (даже без КРЕНок) и естетственно далеко не топовый АЦП с соответствующей топологией. О записи каких нюансов может быть речь? Это надо слушать живьём и сравнивать. Кому интересно и у кого натренированный слух сделают сравнение самостоятельно и решать "городить огород" или нет. Создавать приборы с уровнем качества для записи МР3-сэмплов не есть задача, требующая брать в руки паяльник и искать хорошую комплектуху, тут достаточно купить поделку от Behringer или ART.
Не говорите что мне делать, и я не скажу куда Вам идти.

Лучшее решение из возможных - самое простое. И наоборот.

Прежде чем судить

Medved

  • Сообщений: 4534
  • Ле... Лети!
    • ICQ клиент - 467329541
    • Просмотр профиля
    • E-mail
Re: Cкажи какoй у тeбя БП, я cкажу какoй у тeбя уcилoк
« Ответ #94 : Января 27, 2010, 08:59:11 pm »
Сделал эксель файл для расчета снабберов. Спасибо Мише за хостинг!
http://milas.spb.ru/~kmg/files/distr/SnubberCalc.xls
« Последнее редактирование: Января 27, 2010, 08:59:25 pm от Medved »

Denn

  • Global Moderator
  • *****
  • Сообщений: 14277
  • είμαι ο μουσικός και ο ραδιομηχανίκός
    • ICQ клиент - 322153053
    • Просмотр профиля
    • E-mail
Re: Cкажи какoй у тeбя БП, я cкажу какoй у тeбя уcилoк
« Ответ #95 : Января 28, 2010, 08:43:00 am »
Цитировать
Эээээээ, а вот это уже бред, извините, но для сравнения прозрачности звука хватит даже "genius'а на ножке в AC97" обычным микрофоном и АЦП снимаются вполне(конечно если писать с динамика), а тем более если записи можно "в лоб" сравнить, разница будет обязательно слышна, ну а если этого не слышно, значит самовнушение чистейшей воды.
PS вы же даже на самых говянных колонках услышите что микс "калл" или наоборот хороший.

Очередное заявление из разряда "если я не слышу разницы, значит её не слышит никто". Если бы для передачи всех нюансов музыки было бы достаточно МР3, АС97 и Genius'а, то никто бы на свете не стал делать звуковое оборудование среднего, высокого и Hi-End классов. Я сам когда-то не слышал разницы между МР3 и CD, а всё потому что дешёвый CD-плеер купленный за стипендию, совковый усилок и калонки S-90. Один только апгрэйд колонок в этой системе позволил мне услышать столько новых звуков, которых я раньше просто не слышал, что мне стало понятно насколько я заблуждался по поводу одинаковости CD и МР3. Аналогично, когда купил полупроф звуковую и попробовал записать звук в 24/96, мне показалось, что ничего лучше в мире нет и быть не может, и гитара якобы звучала ну просто один-в-один как в жизни. Позже я конечно же узнал, что моя карточка за 300$ ой как далека от идеала, причём по многим и совершенно очевидным причинам. Естественно такая карта не годится для адекватной записи гитарного сигнала и уже тем более не передаст тонких нюансов звука. Кодирование в МР3? Даже простой пересчёт WAV-файла из 24 бит 96 кГц в формат 16/44 даёт потерю тех нюансов, которые позволяет фиксировать моя карта, об МР3 не может быть и речи. Вся эта мультимедия для игр в "дочки-матери", а не для записи музыки, и уж тем более не для серьёзных измерений. В данном топике речь идёт о более серьёзных вещах.
Если кто-то не понимает и не слышит разницы, то пусть продолжает делать БП на трансформаторах ТВЗ и мостиках КЦ405 (для ЮТьюба и Вконтакта такого качества достаточно), никого уговаривать не планирую.


Цитировать
Сделал эксель файл для расчета снабберов. Спасибо Мише за хостинг!
http://milas.spb.ru/~kmg/files/distr/SnubberCalc.xls

Вот это уже ближе к телу!  [smiley=thumbsup.gif]
« Последнее редактирование: Января 28, 2010, 08:43:42 am от Denn »
Не говорите что мне делать, и я не скажу куда Вам идти.

Лучшее решение из возможных - самое простое. И наоборот.

Прежде чем судить

kholonkin

  • Сообщений: 4352
    • ICQ клиент - 406512389
    • Просмотр профиля
Re: Cкажи какoй у тeбя БП, я cкажу какoй у тeбя уcилoк
« Ответ #96 : Января 28, 2010, 08:58:59 am »
Согласен с Деном. В данном аспекте все сравнительные сэмплы, тем более в 128 кб, чушь полная.

Антон

  • Сообщений: 590
  • GTLab - forever!
    • ICQ клиент - 485140718
    • Просмотр профиля
    • E-mail
Re: Cкажи какoй у тeбя БП, я cкажу какoй у тeбя уcилoк
« Ответ #97 : Января 28, 2010, 10:28:50 am »
Обычно есть знакомые у которых есть звуковые более менее, ну и файлик в 20 метров в wav тоже кинуть обычно не проблема))). Ден, варианта нет взять у кого-нибудь звуковую прописать? Перечитал эту тему нашёл упоминания, что снабберы ставят и на выходной трансформатор, я правильно понял идею или мне померещилось?))) Если снаббер на выходной транс поставить, вроде и без нагрузки трансформатор можно включать будет, как думаете?

Peratron

  • Сообщений: 13579
  • GTLab - forever!
    • Просмотр профиля
    • E-mail
Re: Cкажи какoй у тeбя БП, я cкажу какoй у тeбя уcилoк
« Ответ #98 : Января 28, 2010, 12:08:28 pm »
Цитировать
В данном топике речь идёт о более серьёзных вещах.
О каком именно "серьёзном применении" идёт речь? Если это не имеет смысла применять при включённом рядом компе - то где именно оно эффективно?

Ведь сам же сказал:
Цитировать
У меня в компе импульсный БП, генераторы жутких помех вторичных напряжений на "мамке", звуковуха с питанием от PCI напрямую (даже без КРЕНок) и естетственно далеко не топовый АЦП с соответствующей топологией. О записи каких нюансов может быть речь?
Если это не может быть использовано диванным гитаристом - то кому оно нужно? В любой клубной точке на сцене с питанием засада -  море освещения с тиристорными регуляторами, чёрт знает,  знает что там ещё...

Итак - для какого применения  снабберная защита жизнено необходима?
Схемотехническая мантра: титцешенкохоровицехилл. Повторять до просветления...

Denn

  • Global Moderator
  • *****
  • Сообщений: 14277
  • είμαι ο μουσικός και ο ραδιομηχανίκός
    • ICQ клиент - 322153053
    • Просмотр профиля
    • E-mail
Re: Cкажи какoй у тeбя БП, я cкажу какoй у тeбя уcилoк
« Ответ #99 : Января 28, 2010, 01:03:42 pm »
Помимо "диванной" записи в комп и клубов-гадюшников в жизни существуют другие применения музыки. В данном топике означены проблемы и предложены пути их решения. Зачем это нужно, здесь обсуждать не надо. Peratron, троллингом принято заниматься на ГП, здесь это не оценят.
Не говорите что мне делать, и я не скажу куда Вам идти.

Лучшее решение из возможных - самое простое. И наоборот.

Прежде чем судить