Автор Тема: Хочу сделать Wah Wah. Посоветуйте схему  (Прочитано 20051 раз)

0 Пользователей и 1 Гость просматривают эту тему.

KSG

  • Сообщений: 5766
  • GtLab.Net forever!
    • Просмотр профиля
    • E-mail
Практика - критерий истины

OlegFX

  • Сообщений: 5097
    • Просмотр профиля
Re: Хочу сделать Wah Wah. Посоветуйте схему
« Ответ #301 : Мая 08, 2016, 10:06:04 am »
Цитировать
OlegFX, схема "только квакушка" из вашего поста работать не будет - там перепутаны входы ОУ. 
О-о-о, точно. Я когда загонял в симулятор эту схему (именно эту), входы расставил правильно "на автомате". Вообще не обратил внимание, это же настолько очевидно - мост в ООС.

ПС.Советую в вашей схеме между каскадами включить ФВЧ 100-110 Гц - на НЧ получится лучшее приближение к L-wah. К примеру, 20 кОм--3 кОм--68 нФ (R16, R14, +разделительный С).
Освобожусь, выложу свою схему, номиналы в ней немного отличаются от прототипа.
« Последнее редактирование: Мая 08, 2016, 11:26:54 am от olegfx »

TrueVAL

  • Сообщений: 653
  • GtLab.Net forever!
    • Просмотр профиля
    • E-mail
Re: Хочу сделать Wah Wah. Посоветуйте схему
« Ответ #302 : Мая 08, 2016, 02:39:22 pm »
@ OlegFX

Да, эта квака годами скачет с сайта на сайт, а квакать совсем не может из-за дурацкой ошибки в графике. Там еще выход ОУ будет сидеть на чисто емкостной нагрузке в крайнем правом положении ручки, а это нехорошо. И резистор 120кОм со входа ОУ  на полпитания - совершенно лишний. Усиление 32дБ на резонансах тоже не подарок:
https://yadi.sk/i/DOuCe6q-rZbRm
У меня была цель сделать именно реостатное включение переменника чтобы была возможность фотоуправления. Коррекция по ВЧ и НЧ - дело вкуса, копировать в ноль - такой задачи не ставил. Есть, кстати, сигнатурная модель "Crybaby-JH". Так у ней вообще только один управляемый резонанс: https://yadi.sk/i/jeksRbqkrZc9L
Лично мне нравится такой подход, двухформантный: http://www.geofex.com/article_folders/wahpedl/voicewah.htm

Bananas

  • Сообщений: 479
  • Lord, I'd have to play the blues.
    • Просмотр профиля
    • E-mail
Re: Хочу сделать Wah Wah. Посоветуйте схему
« Ответ #303 : Мая 11, 2016, 09:54:41 pm »
@ TrueVAL

Вот бы схему рабочую для двухформантной квакушки... У него есть в другой статье какой-то монстр с батареей конденсаторов и какой-то микросхемой многовыводной. Но наверняка есть вариант лаконичнее.

p.s. - http://www.geofex.com/article_folders/sing-wah/sing-wah.htm - статья со схемой.
« Последнее редактирование: Мая 11, 2016, 09:58:57 pm от Bananas »
ЗЫ GTLab 4ever!

OlegFX

  • Сообщений: 5097
    • Просмотр профиля
Re: Хочу сделать Wah Wah. Посоветуйте схему
« Ответ #304 : Мая 11, 2016, 11:46:29 pm »
Цитировать
Вот бы схему рабочую для двухформантной квакушки...
Вот схема на базе классической кваки  https://app.box.com/s/5ft2686rgm9dt1gd2n4rzr3ax18st1k2
==Контур Yo-yo можно отключать тумблером, если нужна просто квакушка.
==Ryo - лог. потенциометр яркости эффекта, в принципе, 100 кОм достаточно для того, чтобы исключить тумблер. Хотя, идеально - 10...20 кОм (лог) + тумблер, тогда и нужный диапазон плавно регулируется, и эффект полностью отключается.
==Cyo - можно варьировать в очень больших пределах для разного расположения второго горба относительно первого. Советую поставить переключатель на 5-10 положений. Ёмкости выбирать по лог. закону, т.е. последующий больше (примерно) в n раз предыдущего. Например, ...10 нФ, 22 нФ, 47 нФ, 100 нФ, 220 нФ...
==Индуктивность тоже можно варьировать, но сильно маленькую лучше не применять.
==R_Q2 - добротность (яркость), может и не понадобиться, учитывая наличие пота R_yo.
Короче, можно всё выбирать по вкусу.
Enjoy!

ПС. Вспомнил, есть ещё схема Шаллера http://www.diystompboxes.com/smfforum/index.php?topic=94866.0 - практически то же самое. Даже видео нашлось, правда, стук педали доставучий https://www.youtube.com/watch?v=uPveomdtIhQ
« Последнее редактирование: Мая 12, 2016, 06:05:27 pm от olegfx »

Bananas

  • Сообщений: 479
  • Lord, I'd have to play the blues.
    • Просмотр профиля
    • E-mail
Re: Хочу сделать Wah Wah. Посоветуйте схему
« Ответ #305 : Мая 12, 2016, 01:16:28 am »
Цитировать
Enjoy!
[smiley=2vrolijk_08.gif] [smiley=2vrolijk_08.gif] [smiley=2vrolijk_08.gif]
Спасибо!
ЗЫ GTLab 4ever!

TrueVAL

  • Сообщений: 653
  • GtLab.Net forever!
    • Просмотр профиля
    • E-mail
Re: Хочу сделать Wah Wah. Посоветуйте схему
« Ответ #306 : Мая 12, 2016, 07:16:36 pm »
Есть еще отличная статья о гласных звуках и физике процессов:

http://www.phy.duke.edu/~dtl/136126/restrict/Voice/intro.html

Я тут изучал спектры гласных с помощью VST-плагина "Vocalizer". Для букв "У", "О", "А" получились такие картинки:

https://yadi.sk/i/EGG5xSfHrfYKg
https://yadi.sk/i/5ZMk2el5rfYT3
https://yadi.sk/i/d_InfRTlrfYdX

Видим несколько формант для каждой буквы. Моделировать их - сложная задача. Но можно просто добавить только одну постоянную форманту 2.2кГц, например, и классическая "говорящая" квакушка  станет "поющей"! Набросал примерную схему под стандартный пот 100kA:

https://yadi.sk/i/RAZNOg4HrfhTD
https://yadi.sk/i/n7iDSFMRrfhbw

Bananas

  • Сообщений: 479
  • Lord, I'd have to play the blues.
    • Просмотр профиля
    • E-mail
Re: Хочу сделать Wah Wah. Посоветуйте схему
« Ответ #307 : Мая 12, 2016, 11:02:26 pm »
@ TrueVAL А можно ко второй части ОУ приделать управление второй формантой?

А можно ли совместить twine T и L схемы так, чтобы каждая управляла своей формантой независимо, двумя потами?
ЗЫ GTLab 4ever!

KSG

  • Сообщений: 5766
  • GtLab.Net forever!
    • Просмотр профиля
    • E-mail
Re: Хочу сделать Wah Wah. Посоветуйте схему
« Ответ #308 : Мая 13, 2016, 05:45:46 am »
@ Bananas
- уже была мысль использовать джойстик от авиамоделей. Не очень удобно, но его можно при некотором навыке двигать ногой вдоль и поперёк.
Кстати, есть схема talking pedal electro-harmonics, у неё формантные потенциометры не разведены механически, хотя разведены схемно. Дело за небольшим усовершенствованием конструкции.

Практика - критерий истины

Peratron

  • Сообщений: 13579
  • GTLab - forever!
    • Просмотр профиля
    • E-mail
Re: Хочу сделать Wah Wah. Посоветуйте схему
« Ответ #309 : Мая 13, 2016, 06:05:33 am »
Обычно для двухкоординатного управления формантами используют поперечное вращение площадки, закрепив на ней второй потенц...
Схемотехническая мантра: титцешенкохоровицехилл. Повторять до просветления...

Bananas

  • Сообщений: 479
  • Lord, I'd have to play the blues.
    • Просмотр профиля
    • E-mail
Re: Хочу сделать Wah Wah. Посоветуйте схему
« Ответ #310 : Мая 13, 2016, 11:24:45 am »
У меня лежит двухкоординатная педаль с поворотом от Электроники. Дожидается отпуска. И собственно это типа сверхзадачи, населить эту педальку двухформантной квакушкой. Конечно, для начала мне бы закончить переделку Полтавки, которая ждет-не-дождется выходного буфера и фуза (правда теперь к этому еще добавиться Бау-Вау цепочка со вторым индуктором).

Но с предложенным фотопотом, т.е. с фоторезисторами и светодиодом довольно не сложно можно разработать конструкцию, которая будет засвечивать не два а четыре фоторезистора. Причем это же не сложно перекидывать выводы, чтобы засвет происходил либо вместе, либо в противоход. Тем самым можно получить, пусть связанные (когерентные - как раз то слово), но все же два потенциометра, две координаты.


Я когда собрал квакушку аля КрайБейби и подключил ее вместе с купленной КрайБейби - надеялся, что нажимая двумя педалями по разному чего-то волшебное можно достичь. Вот фигушки. Р.Дж.Кин в своей статье говорил (интригующе шевеля бровями) - подключите две квакушки - так вот фиг. Я так думаю, что если они настроены на одну форманту, так и звучать всё будет не шибко интересно.

Может быть если одна квакуха ТвинТэ, а другая на индукторе, так может быть их совместная работа может быть интересна (три "может быть" в одном предложении - бъю рекорд).

Твин-т вроде по грмкости ровнее работает. Можно даже использовать Твин-Т для задания определенного начального положения от которого уже будет квакать индуктор второй квакушки. Т.е. может быть даже без хитрой второй оси, будет профит и интересный окрас, который просто можно будет подстраивать (руцями) потенциометром на корпусе и от этого "квак" будет иметь немного разный окрас при разном положении твин Т.

А может быть, просто, это будет первая квакуха с регулятором тембра - что собственно иногда бы очень пригодилось.
ЗЫ GTLab 4ever!

Peratron

  • Сообщений: 13579
  • GTLab - forever!
    • Просмотр профиля
    • E-mail
Re: Хочу сделать Wah Wah. Посоветуйте схему
« Ответ #311 : Мая 13, 2016, 02:08:53 pm »
Цитировать
когерентные - как раз то слово
Не... Не то...
Когерентность - строго для периодических процессов.
В данном случае правильное  определение - "синхронные".

Когерентность тут лишь как художественная гипербола  8-)
Схемотехническая мантра: титцешенкохоровицехилл. Повторять до просветления...

Peratron

  • Сообщений: 13579
  • GTLab - forever!
    • Просмотр профиля
    • E-mail
Re: Хочу сделать Wah Wah. Посоветуйте схему
« Ответ #312 : Мая 13, 2016, 02:12:32 pm »
Цитировать
Я когда собрал квакушку аля КрайБейби и подключил ее вместе с купленной КрайБейби - надеялся, что нажимая двумя педалями по разному чего-то волшебное можно достичь. Вот фигушки. Р.Дж.Кин в своей статье говорил (интригующе шевеля бровями) - подключите две квакушки - так вот фиг. Я так думаю, что если они настроены на одну форманту, так и звучать всё будет не шибко интересно.

Может быть если одна квакуха ТвинТэ, а другая на индукторе, так может быть их совместная работа может быть интересна (три "может быть" в одном предложении - бъю рекорд).
Всё это легко решается в чисто электронном эксперименте с комповыми плагинами - услышишь всё, что нужно и в лучшем виде.
Сам эксперимент - десяток минут, без каких либо других ресурсных затрат.

Вот если получишь действительно интересный результат - имеет смысл хвататься за паяльник и напильник...
Схемотехническая мантра: титцешенкохоровицехилл. Повторять до просветления...

Bananas

  • Сообщений: 479
  • Lord, I'd have to play the blues.
    • Просмотр профиля
    • E-mail
Re: Хочу сделать Wah Wah. Посоветуйте схему
« Ответ #313 : Мая 13, 2016, 04:02:06 pm »
@ Peratron
я на вашу темку-предложение по протеусу поглядываю да корю себя. Беда просто, что на компьютере работа :) Садишься за компутер, и в итоге работаешь работу, на ГТлаб заглядываешь разве что. Огромные надежды у меня на отпуск, в этом смысле.
ЗЫ GTLab 4ever!

Peratron

  • Сообщений: 13579
  • GTLab - forever!
    • Просмотр профиля
    • E-mail
Re: Хочу сделать Wah Wah. Посоветуйте схему
« Ответ #314 : Мая 13, 2016, 04:28:54 pm »
@ BananasВ данном случае я имел ввиду не схемосимулятор, а звуковой редактор - софт для производства фонограмм...

Схемотехническая мантра: титцешенкохоровицехилл. Повторять до просветления...

Bananas

  • Сообщений: 479
  • Lord, I'd have to play the blues.
    • Просмотр профиля
    • E-mail
Re: Хочу сделать Wah Wah. Посоветуйте схему
« Ответ #315 : Мая 13, 2016, 05:44:22 pm »
@ Peratron
в смысле VST/VSTi?
ЗЫ GTLab 4ever!

Peratron

  • Сообщений: 13579
  • GTLab - forever!
    • Просмотр профиля
    • E-mail
Re: Хочу сделать Wah Wah. Посоветуйте схему
« Ответ #316 : Мая 13, 2016, 06:10:10 pm »
Цитировать
@ Peratron
в смысле VST/VSTi? 
и DX тоже   :P
Схемотехническая мантра: титцешенкохоровицехилл. Повторять до просветления...

Bananas

  • Сообщений: 479
  • Lord, I'd have to play the blues.
    • Просмотр профиля
    • E-mail
Re: Хочу сделать Wah Wah. Посоветуйте схему
« Ответ #317 : Мая 21, 2016, 02:11:22 pm »
@ OlegFX

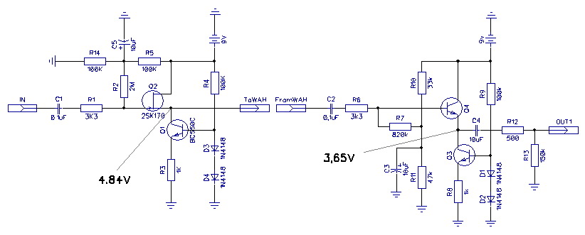
Собрал выходной буфер, приделал на выход фузфейс на ГТ404 с прямой полярностью питания. Измерил напряжение на точках входного и выходного буферов:



Несколько вопросов возникло.

1. Я правильно точки измерения выбрал?
2. Для входного буфера напряжение чуть больше 4,5 - нормально? Транзистор там 2sk170 - 0,6В/3,11мА.
3. Я так понимаю для начала нужно подобрать R11, чтобы напряжение поднять, для измеряемой точки выходного буфера?
4. Учитывая ваш совет про возможную необходимость уменьшить R8 сделал его на макете переменным, потенциометр 1к. Если уменьшать сопротивление, то напряжение на измеряемой точке падает. На звуке это отражается как-то, но не очень выражено. (Вообще звук странный. Хотя это наверное самое близкое звучание к Вуду Чайлд, что мне удавалось "потрогать". Так вот) Как я понимаю, нужно будет подобрать и R11 и R8, так как они оба будут влиять на напряжение в измеряемой точке?
5. Как можно быть уверенным что выходной буфер будет с  "симметричным ограничением" (не отвечаю за точность, но вы советовали что-то типа "либо чуть больше полпитания, а лучше по симметричному ограничению")? Есть осциллограф с разметкой, но не очень понятна метода.
ЗЫ GTLab 4ever!

new_man

  • Сообщений: 2053
  • GtLab.Net
    • Просмотр профиля
    • E-mail
Re: Хочу сделать Wah Wah. Посоветуйте схему
« Ответ #318 : Мая 21, 2016, 02:32:52 pm »
In loco parentis, так сказать...
Во втором буфере: оставив R8=1КОм, увеличить R11 до 100КОм.
Первый буфер в коррекции не нуждается.

Bananas

  • Сообщений: 479
  • Lord, I'd have to play the blues.
    • Просмотр профиля
    • E-mail
Re: Хочу сделать Wah Wah. Посоветуйте схему
« Ответ #319 : Мая 21, 2016, 03:02:53 pm »
@ new_man
Gratias parentum! :)

P.s. 4,65в со 100к на R11. Стоит ли побороться за 4,84 как на первом?

Кстати, измерения плывут немного. Не знаю с чем связано. От 4,5 до 4,9. Но правда, как-то за последний час оно все остановилось на 4,65В. 

Звучит вроде как лучше.

Но странное дело, с фузфейсом этим. ПОлучается в низком положении квакушки часть нот на грифе практически не звучит, а часть звучит очень громко. Причем это именно с нотой связанно. Как будь-то бы схема подхватывает какую-то частоту которая есть в ноте, но не основной тон и резонирует на нем, причем лкогда педаль меняешь, меняется тональность этого резонанса, пока он не пропадает. И это все происходит в первой половине педали. Получается если описывать весь взмах, так получается - сначала громко, потом тихо, потом опять громко. И когда этот резонанс начинает повышать тон вместе со взмахом педали, как бы тоже ВАУ звучит. В результате типа два вау. Очень неровно звучит, но вместе с тем, офигенно стали звучать пустые ноты. Я все не понимал, как же так насыщенно Джимми играет пустые ноты с квакушкой в начале Вуду Чайлд. Вот с фузфейсом после вахера они звучат похоже и даже очень ни чего штука для поиграться.

Но вообще звук грязноватый и очень много высоких. Причем один Фуз - нормальный тембр, один вахер - тоже нормальный, вахер перед кваком - нормальный, а вот вахер перед фузом и оба работают - звук невероятно высокий.
« Последнее редактирование: Мая 21, 2016, 05:00:37 pm от Bananas »
ЗЫ GTLab 4ever!